Описание конструкции

КОМПОНОВКА танка Pz.Kpfw.V «Пантера» — классический вариант с традиционным для германского танкостроения передним расположением трансмиссии.

Отделение управления находилось в передней части танка. В нем размещались главный фрикцион, коробка передач, механизм поворота, органы управления танком, контрольные приборы, курсовой пулемет, часть боекомплекта, радиостанция и рабочие места двух членов экипажа — механика-водителя и радиста (он же — пулеметчик).

Боевое отделение располагалось в средней части танка. Здесь размещались: в башне — пушка и спаренный с ней пулемет, приборы наблюдения и прицеливания, механизмы вертикальной и горизонтальной наводки и сиденья командира танка, наводчика и заряжающего. В корпусе в нишах, по стенкам и под вращающимся попиком башни находился боекомплект.

На днище танка устанавливались водяной насос, насос гидравлической системы поворота башни и поворота танка и воздушный компрессор.

В моторном отделении, располагавшемся в кормовой части танка, размещались двигатель, радиаторы, вентиляторы и топливные баки. Между моторным и боевым отделениями имелась металлическая перегородка.

КОРПУС танка собирался из броневых листов, соединенных в шип и сваренных двойным швом.

Корпус танка:

1 — люк-пробка механика-водителя; 2 — броневая заслонка пулеметной амбразуры; 3 — люк-лаз механика-водителя; 4 — люк-лаз радиста; 5 — перископические приборы наблюдения механика-водителя; 6 — перископические приборы наблюдения радиста; 7 — люк моторного отделения; 8 — отдушины для притока воздуха; 9 — вывод антенны; 10 — люк для заливки воды в систему охлаждения; 11 — основание для установки воздухоподводящей трубы при подводном вождении танка; 12 — люк для доступа к горловине топливных баков; 13 — воздухоприемные окна системы охлаждения двигателя; 14 — воздухоотводящие окна системы охлаждения двигателя; 15 — выхлопные трубы; 16 — люки для доступа к механизмам натяжения гусениц; 17 — люк для доступа к водогрейному котлу системы охлаждения; 18 — люк для доступа к приводу инерционного стартера; 19 — люк для доступа в моторное отделение; 20 — люк для доступа к приводу двигателя от пусковой рукоятки; 21 — маска пушки; 22 — амбразуры бинокулярного прицела; 23 — амбразура спаренного пулемета; 24 — амбразура для стрельбы из личного оружия; 25 — люк для выброса стреляных гильз; 26 — люк-лаз для посадки и высадки экипажа; 27 — командирская башенка; 28 — отдушина башенного вентилятора

Верхний лобовой лист корпуса располагался под углом 38° к горизонтальной плоскости, нижний — под углом 37°. Нижние бортовые листы — вертикальные, верхние наклонены под углом 48°, кормовой лист — под углом 60°.

В передней части крыши корпуса имелись люки-лазы механика-водителя и радиста. Для входа и выхода из танка крышки люков приподнимались вверх и отводились в сторону с помощью специального подъемно-поворотного механизма (у модификации G откидывались на петлях). Люки-лазы были выполнены в крышке люка, предназначенного для удобства монтажа и демонтажа коробки передач и механизма управления танком.

Кроме того, в передней части крыши корпуса устанавливались четыре (у варианта G — два) перископических прибора наблюдения (по два для механика-водителя и радиста) и имелось вентиляционное отверстие, прикрытое броневым колпаком, перед которым монтировалась стойка для фиксации ствола пушки в походном положении.

Кормовая часть корпуса делилась на три отсека внутренними водонепроницаемыми переборками. Два крайних отсека при преодолении водных преград вброд могли заливаться водой. В центральный же отсек, где находился двигатель, вода не проникала. Крайние отсеки закрывались сверху броневыми решетками, четыре из них служили для притока воздуха, охлаждавшего радиаторы, а две средние — для его отвода.

Надмоторная часть закрывалась крышкой с двумя вентиляционными отверстиями.

В днище танка были предусмотрены люки для доступа к торсионам подвески, к спускным кранам систем питания, охлаждения и смазки, к водооткачивающей помпе и к спускной пробке картера коробки передач.

Схема бронирования танка

Немецкая пехота сопровождает атакующую «Пантеру» из состава дивизии СС «Викинг». Польша, 1944 год. Большие размеры танка обеспечивали пехотинцам надежное укрытие

БАШНЯ, имевшая форму усеченного конуса, — сварная, с соединением листов в шип и наклоном стенок 65°. В передней части башни в литой маске полуцилиндрической формы устанавливались пушка, спаренный с ней пулемет и прицел. Башня приводилась во вращение гидравлическим поворотным механизмом мощностью 4 кВт. Скорость поворота зависела от частоты вращения коленчатого вала двигателя. При 2500 об/мин полный оборот башни осуществлялся за 17 с вправо и 18 с влево. При выключенном двигателе башня поворачивалась вручную. При этом из-за неуравновешенности башни ее поворот вручную при крене свыше 5° был невозможен.

На крыше башни устанавливалась командирская башенка с шестью (позже с семью) смотровыми приборами.

ВООРУЖЕНИЕ. Основное вооружение «Пантеры» — пушка 7,5 cm KwK 42 калибра 75 мм, производившаяся на заводе фирмы Rheinmetall- Borsig в Дюссельдорфе. Ствол орудия имел длину 70 калибров — 5250 мм; вместе с дульным тормозом — 5535 мм. Масса его составляла 1000 кг, а всей установки вместе с маской — 2650 кг. Предельная длина отката — 420 мм. Вертикальная наводка— в пределах от — 8° до +18°.

Пушка снабжалась вертикальным клиновым затвором и полуавтоматикой копирного типа. Полуавтоматика располагалась на правой стороне казенника (закрывающий механизм) и на люльке (копирное устройство). Противооткатные устройства состояли из гидравлического тормоза отката и воздушножидкостного накатника. Подъемный механизм пушки — секторного типа.

Выстрел из пушки производился с помощью стационарного электроспуска, кнопка которого находилась на рукоятке маховика подъемного механизма.

В боевом отделении под сиденьем наводчика устанавливался воздушный компрессор для продувки ствола пушки после каждого выстрела. Воздух для продува ствола отсасывался из короба гильзоулавливателя.

С пушкой был спарен 7,92-мм пулемет MG 34. Курсовой пулемет размещался в лобовом листе корпуса в бугельной (Ausf.D) или шаровой (Ausf.A и G) установке. Командирские башенки модификаций А и G были приспособлены под монтаж зенитного пулемета MG 34.

Боевое отделение танка:

1 — казенная часть пушки; 2 — клин затвора; 3 — трубопровод для продува канала ствола; 4 — указатель отката; 5 — цилиндр полуавтоматики; 6 — гнездо для установки ограждения пушки; 7 — маховик подъемного механизма; 8 — сектор подъемного механизма; 9 — маховик ручного поворотного механизма; 10 — рычаг управления гидравлическим поворотным механизмом; 11 — рычаг включенш гидравлического поворотного механизма; 12 — уравновешивающий механизм пушки; 13 — гильзоупавливатель; 14 — сиденье наводчика

Казенная часть 75-мм пушки KwK 42 танка Ausf.G, находящегося в Музее БТВТ в Кубинке. По понятным причинам затвор пушки отсутствует

Телескопический бинокулярный прицел TZF 12:

1 — объективная часть; 2 — телескопические трубы; 3 — окулярная часть; 4 — механизм установки углов прицеливания и выверки по высоте и направлению; 5 — карданный валик; 6 — рычаг включения светофильтров; 7 — механизм для установки окуляров на уровне глаз; 8 — проушина для закрепления прицела к крыше башни; 9 — налобник; 10 — провод освещения шкал для ночной стрельбы; 11 — салазки прицела; 12 — стопорный винт салазок

Компоновка башни танка Panther Ausf D:

1 — кронштейн крепления пушки по-походному; 2 — спаренный пулемет: 3 — сиденье заряжающего: 4 — стопор башни: 5 — сиденье командира танка; 6 — сиденье наводчика; 7 — телескопический бинокулярный прицел TZF 12а; 8 — маска пушки; 9 — механизм поворота башни; 10— цилиндр накатника: 11 — цилиндр тормоза отката

Загрузка 75-мм выстрелов через командирский люк танка

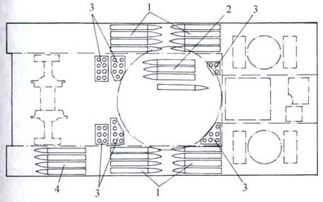
Схема укладки боекомплекта 75-мм выстрелов:

1 — укладка в нишах корпуса; 2 — укладка на полу боевого отделения; 3 — вертикальная укладка; 4 — укладка в отделении управления

Тип выстрела Pz.Gr.39/42(бронебойный) Pz.40/42 (подкалиберный) Gr.34(осколочно-фугасный) Масса выстрела, кг 14,3 11,55 — Масса снаряда, кг 6.8 4.75 5,74 Начальная скорость, м/с 925 1120 700

Танки Ausf.D оснащались бинокулярным телескопическим ломающимся прицелом TZF12, a Ausf.A и G — монокулярным TZF12a. При изменении вертикального угла установки вооружения изменялось и положение объективной части прицелов, окулярная же часть оставалась неподвижной, что обеспечивало работу с вооружением на всем диапазоне вертикального угла наведения без изменения положения стреляющего. Прицелы изготавливались фирмой Karl Zeiss в Йене.

Бинокулярный прицел состоял из двух труб, левая из которых отличалась от правой отсутствием сетки со шкалами прицеливания. Он имел 2,5-кратное увеличение и поле зрения 30°.

Советские солдаты осматривают подбитую «Пантеру» Ausf.D. Курская дуга, июль 1943 года. Высота линии огня у «Пантеры» составляла 2260 мм — рукой не достать!

Пулемет MG 34 в шаровой установке

«Пантера» Ausf.A. Эта машина находится в экспозиции французского танкового музея в Самюре

Основным недостатком бинокулярного прицела TZF12 было малое увеличение, обеспечивавшее ведение прицельного огня на дистанциях не свыше 2000 м, что не позволяло в полной мере использовать великолепные баллистические характеристики пушки KwK 42.

Монокулярный прицел TZF12a по устройству представлял собой правую трубу бинокулярного прицела, но в отличие от последнего имел переменное увеличение — 2,5- и 5-кратное. Поле зрения соответственно составляло 30° и 15°. Прицел TZF12a обеспечивал ведение прицельного огня на дистанциях до 4000 м.

Боекомплект пушки состоял из 79 выстрелов у Ausf.D и А и 82 выстрелов у Ausf.G. Выстрелы укладывались в нишах подбашенной коробки, в отделении управления и боевом отделении.

Боекомплект пулеметов для модификаций D и А составлял 5100, а для G — 4800 патронов.

В качестве вспомогательного вооружения танки модификаций А и G оснащались «устройством ближнего боя» (Nahkampfgerat) — мортиркой калибра 26 мм, в боекомплект которой входили дымовые (12 шт.), осколочные (20 шт.) и осколочно-зажигательные (24 шт.) снаряды. Мортирка располагалась в правой задней части крыши башни.

ДВИГАТЕЛЬ И ТРАНСМИССИЯ. На танке «Пантера» устанавливался 12-цилиндровый карбюраторный четырехтактный двигатель Maybach HL-230P3O мощностью 700 л .с. (515 кВт) при 3000 об/мин (на практике число оборотов не превышало 2500). Диаметр цилиндра 130 мм. Ход поршня 145 мм. Цилиндры располагались V-образно под углом 60°. Степень сжатия 6,8. Сухая масса двигателя 1200 кг.

Топливо — этилированный бензин с октановым числом не ниже 74. Емкость пяти бензобаков 730 л. Подача топлива принудительная, с помощью четырех диафрагменных насосов Solex. Карбюраторов — четыре, марки Solex 52FFJIID.

Система смазки — циркуляционная, под давлением, с сухим картером. Циркуляция масла осуществлялась тремя шестеренчатыми насосами, из которых один нагнетающий и два отсасывающих.

Система охлаждения — жидкостная. Радиаторов — четыре, соединенных по два последовательно. Емкость радиаторов — около 170 л. По обеим сторонам двигателя располагались вентиляторы типа Zyklon.

Для ускорения запуска двигателя в холодное время года предназначался термосифонный подогреватель, отапливаемый паяльной лампой, которая устанавливалась с наружной стороны кормового листа корпуса.

Схема трансмиссии танка

Завязшая в болоте и брошенная экипажем «Пантера» модели G. Восточная Пруссия, 1944 год. Видны открытые люки над двигателем, кормовой башенный и командирский. Крышка люка механика- водителя оторвана

Трансмиссия состояла из карданной передачи,трехдискового главного фрикциона сухого трения, коробки передач АК 7-200, механизма поворота фирмы MAN, бортовых передач и дисковых тормозов типа LG 900.

Коробка передач — трехвальная, с продольным расположением валов, семиступенчатая, пятиходовая, с постоянным зацеплением шестерен и простыми (безынерционными) конусными синхронизаторами для включения передач со 2-й по 7-ю.

Картер коробки передач центрировался и жестко соединялся с картером механизма поворота, образуя единый монтажно-демонтажный агрегат (с общими внутренним объемом и системой смазки) трансмиссии: двухпоточный механизм передач и поворота. Механизм поворота состоял из двух планетарных редукторов. К бортовым передачам мощность подводилась короткими поперечными валами с зубчатыми муфтами на концах. Центровочные работы при сборке танка были сведены таким образом к минимуму, но монтаж и демонтаж механизма передач и поворота из сварной носовой части броневого корпуса представляли собой весьма трудоемкую операцию.

Приводы управления танком — комбинированные, с гидросервоприводом следящего действия с механической обратной связью.

ХОДОВАЯ ЧАСТЬ танка применительно к одному борту состояла из восьми сдвоенных опорных катков с резиновыми бандажами диаметром 850 мм.

Демонтаж коробки передач и механизма поворота танка «Пантера» в полевых условиях. На переднем плане — крышка люка, предназначенного для демонтажа этого агрегата

Завести «Пантеру» вручную было делом нелегким. Для этого привлекалось не менее двух членов экипажа

Подвеска — индивидуальная торсионная. В целях получения большого угла скручивания торсионы выполнялись двойными, что обеспечивало вертикальное перемещение опорного катка на 510 мм. Передние и задние катки снабжались гидравлическими амортизаторами.

Ведущие колеса переднего расположения имели два съемных зубчатых венца по 17 зубьев каждый. Зацепление цевочное. Между ведущими колесами и первым опорным катком устанавливался отбойный ролик.

Схема подвески танка:

1,2 — опорные катки; 3 — ведущее колесо; 4 — направляющее колесо; 5 — балансир; 6 — неподвижная муфта крепления торсионов; 7 — втулка торсиона; 8,9 — торсионы; 10 — подвижная муфта крепления торсионов; 11 — гидравлические амортизаторы

Направляющие колеса — литые, с металлическими бандажами и кривошипным механизмом натяжения гусениц.

Гусеницы стальные, мелкозвенчатые, из 86 одногребневых траков каждая. Траки литые, шириной 660 мм, шаг трака 153 мм.

ЭЛЕКТРООБОРУДОВАНИЕ было выполнено по однопроводной схеме. Напряжение 12 В. Источники: генератор Bosch GTLN700 12-1500BJ1 мощностью 0,7 кВт, два аккумулятора Bosch емкостью 150 А ч. Потребители: электростартер Bosch BFD624ARS15 мощностью 4,4 кВт, контрольные приборы, подсветка прицелов, приборы световой и звуковой сигнализации, аппаратура внутреннего и внешнего освещения, спуски пушки и пулеметов.

СРЕДСТВА СВЯЗИ. Все танки «Пантера» оснащались радиостанцией Fu 5, имевшей дальность действия 6,4 км, телефоном и 9,4-км телеграфом.

СПЕЦИАЛЬНОЕ ОБОРУДОВАНИЕ. Система пожаротушения — автоматическая. Сигнализация была выведена на панель приборов механика-водителя.

ТАКТИКО-ТЕХНИЧЕСКИЕ ХАРАКТЕРИСТИКИ ТАНКОВ «ПАНТЕРА»

Модификация Ausf.D Ausf.A Ausf.G Боевая масса, т 44.8 44.8 45,5 Экипаж, чел. 5 5 5 Габаритные размеры, мм: длина 8860 8860 8860 ширина 3440 3440 3420 высота 3100 2990 2980 клиренс 560 560 560 Высота линии огня, мм 2260 2260 2260 Толщина брони, мм:  лоб корпуса 80 — 60 80 — 60 80 — 50 борт и корма 40 40 50 — 40 крыша и днище 17 17 17 башня 100 — 17 100 — 17 100—17 Максимальная скорость движения, км/ч: по шоссе 46 46 46 по местности 18,7 18,7 18,7 Запас хода, км:  по шоссе 200 200 200 по местности 100 100 100 Преодолеваемые препятствия: угол подъема, град. 30 30 30 ширина рва, м 2,45 2,45 2,45 высота стенки, м 0,9 0,9 0,9 глубина брода, м 1,9 1,9 1,9 Удельное давление, кг/см2 0.84 0,84 0,84 Удельная мощность, л.с./т 15,9 15,9 15,4

Более 800 000 книг и аудиокниг! 📚

Получи 2 месяца Литрес Подписки в подарок и наслаждайся неограниченным чтением

ПОЛУЧИТЬ ПОДАРОК