PB-1

Над большим полем возвышаются гигантские мачты. Между ними находится главное здание станции. По сравнению с мачтами оно кажется совсем маленьким и приземистым. Неподалеку расположено еще несколько небольших зданий. От подвешенных на мачтах антенн спускаются провода, входящие в главное здание. Из этих антенн излучаются электромагнитные волны, несущие всему миру московские радиопередачи.

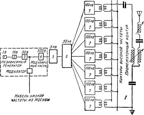
Вот перед нами два высоких глухих железных шкафа. Это сердце станции — основные, или, как говорят, задающие, генераторы. Один из них работает, другой стоит в резерве.

В каждом из этих генераторов имеется электронная лампа, создающая электрические колебания высокой частоты.

Частота этих колебаний для станции РВ-1 установлена в 174 тысячи периодов в секунду.

При обычных условиях частота колебаний, создаваемых лампой, может довольно сильно изменяться. Ведь на нее действует и непостоянная окружающая температура, и малейшие изменения тока, питающего лампу. Но частота колебаний обязана быть точной. Иначе станцию нельзя будет принимать. Отклонения от указанной частоты могут быть не больше 10 периодов в секунду в ту и другую стороны. Лампа такого постоянства частоты обеспечить не может.

Как же быть?

И тут пришло на помощь замечательное свойство кварца. Если из кварца выточить пластинку и включить ее в схему лампового генератора, то этот генератор будет давать строго определенную частоту, зависящую от размеров кварцевой пластинки.

Чтобы сделать частоту еще более постоянной, пластинку помещают в особый ящик — термостат, в котором автоматически поддерживается неизменная температура.

Так и сделано на радиостанции РВ-1.

В каждом железном шкафу, кроме термостата с кварцевой пластинкой и задающих генераторов, помещены еще три электронные лампы, усиливающие колебания, создаваемые задающим генератором.

Для сохранения постоянства генерируемой частоты необходимо еще тщательно охранять генератор от воздействия остальных частей передатчика.

Особенную опасность в этом отношении представляет четвертая лампа, или, как говорят, четвертый каскад передатчика.

Режим четвертого каскада все время меняется, потому что именно здесь, на этот каскад, поступают пришедшие по кабелю из Москвы и усиленные колебания — звуковой частоты и здесь же происходит их наложение на колебания высокой частоты.

Поэтому перед вторым и третьим каскадами передатчика, кроме задачи усиления создаваемых задающим генератором колебаний, стоит еще не менее важная задача — предохранение задающего генератора от воздействия четвертого каскада.

В результате наложения колебаний звуковой частоты на колебания высокой частоты величина последних начинает меняться в такт со звуковыми колебаниями. Происходит так называемая модуляция передатчика.

После усиления и модуляции в четвертом каскаде получается мощность 500 ватт. Такую мощность поглощает в среднем обычная домашняя электроплитка.

Эта, еще сравнительно небольшая мощность усиливается электронными лампами в последующих каскадах. Пятый каскад дает на выходе уже 5 киловатт, шестой — 50 и, наконец, седьмой дает колоссальную мощность — 500 киловатт. Эти 500 киловатт уходят в антенну и там излучаются в пространства. Седьмой — «мощный оконечный каскад» — состоит из семи отдельных самостоятельных передатчиков-блоков со своими лампами, выпрямителем, силовым оборудованием, электрическими машинами для накала и т. п. Работают одновременно шесть блоков выходного каскада, а седьмой стоит в запасе.

«Скелет» радиостанции РВ-1.

По мере возрастания мощности в каскадах передатчика применяются все более и более мощные электронные лампы. Конечно, наибольшую мощность имеют лампы последнего выходного каскада. Только для накала этих ламп в шести блоках требуется свыше 200 киловатт электроэнергии. К анодам их подводится 1 800 киловатт. Выходной каскад в целом потребляет свыше 2 тысяч киловатт. 500 киловатт из них излучаются в эфир, а остальные 1 500 киловатт выделяются на анодах ламп в виде тепла. Эта огромная мощность, превратившись в тепло, мгновенно расплавила бы аноды и вывела из строя лампы, если бы лампы не охлаждались непрерывным током дистиллированный воды. Такое водяное охлаждение ламп начинается с пятого каскада.

Все управление станцией автоматизировано и сосредоточено на особом пульте управления. Это мозг всей радиостанции, подчиненный дежурному инженеру. Имеющиеся на пульте сигнальные лампы и измерительные приборы сообщают на своем условном языке о том, как работают и в каком состоянии находятся отдельные каскады и агрегаты передатчика. Автоматизация делает невозможными какие-либо ошибки у дежурного при пуске станции и создает полную безопасность для обслуживающего персонала. Если где-нибудь открыты дверцы к частям передатчика, опасным для жизни, то высокое напряжение автоматически выключается и не может быть включено.

Автоматизация станции осуществляет строжайший контроль за работой всех частей передатчика и поддерживает такой правильный режим их работы, которого человек обеспечить не в состоянии. Так автоматически поддерживается температура термостата с кварцем, накал ламп передатчика и т. п.

Раздается телефонный звонок. Москва сообщает, что через несколько минут начнется передача, и предлагает подготовить передатчик.

Дежурный инженер подходит к пульту. По станции разносится резкий гудок сирены. Он предупреждает всех работников станции, которые могут быть заняты каким-нибудь ремонтом или осмотром отдельных частей передатчика, что им необходимо прекратить работу.

Дежурный нажимает последовательна одну за другой ряд кнопок. Раздаются мягкие пощелкивания, по очереди загораются, гаснут или меняют цвет сигнальные лампочки. Стрелки антенных амперметров вздрагивают и отклоняются. Вот они уже показывают нормальную силу тока. Передатчик включен. Радиостанция РВ-1 вышла в эфир.

Более 800 000 книг и аудиокниг! 📚

Получи 2 месяца Литрес Подписки в подарок и наслаждайся неограниченным чтением

ПОЛУЧИТЬ ПОДАРОК