Боевая работа 29-го Гвардейского истребительного авиаполка в Корее (1950-51 г.г)

АВИАЦИЯ В ЛОКАЛЬНЫХ КОНФЛИКТАХ

Виталий П. Набока/ Краснодар

50 лет назад, в августе-сентябре 1948 г., военно-политическое противостояние СССР и США, известное как «холодная война», привело к образованию на территории Кореи двух враждебных государств: Корейской Народно-Демократической Республики – на севере и Корейской Республики – на юге полуострова. Дальнейшая эскалация напряженности в этом, регионе вызвала трехлетнюю кровопролитную войну. Началась она 25 июня 1950 г. и забрала почти четыре мил-лиона человеческих жизней, В войне фактически приня-ли участие КНДР, Китай, СССР с одной стороны и Юж-ная Корея, США, ряд стран-членов ООН – с другой. В но-ябре для ведения боевых действий на корейском фронте в советских ВВС был образован особый 64-й ИАК, состоявший из 28-й и 151-й авиадивизий. В декабре обе дивизии корпуса сменила 50-я ИАД, сформированная из 29-го и 1 77-го истребительных полков и управления 106-й ИАД. С боевой работой в небе Северной Кореи 177-го НАЛ наши читатели ознакомились ранее (см. «АиВ» №6'95). Предлагаемая ниже статья - рассказ о ратном труде летчиков 29-го ГИАП, написанный на основе советских архивных материалов. По мнению автора, указанные в этих документах потери американской авиации несколько завышены.

В период боев в Корее самолеты 29-го ГИАП не были камуфлированы. На МиГи наносились элементы быстрой идентификации: красная окраска рулей направления и носовых частей фюзеляжа. Истребители имели трехзначные бортовые номера (красные – в 1-й, голубые - во 2-й и желтые – в 3-й эскадрилье) и опознавательные знаки ВВС КНДР. МиГ-15бис Орлова нес бортовой номер 720, Науменко – 723, Петрова – 735, Андрианова – 751, Сотникова – 773, Федосеева – 780 и Перекреста – 785

История 29-го ГИАП началась 20 ноября 1940 г., когда полк, полностью укомплектованный личным составом и материальной частью, под номером 154 вошел в состав 39-й ИАД Ленин-градского военного округа. С первых дней Великой Отечественной войны 154-й ИАП принял активное участие в борьбе с немецкой авиацией и уже 22 ноября 1942 г., получив за отличия в боях гвардейское звание, был преобразован в 29-й ГИАП. 4 мая 1943 г. ему было присвоено почетное наименование «Волховский». Всего за годы войны на боевой счет полка занесено 460 сбитых самолетов противника, что ставит 29-й ГИАП в ряд лучших советских истребительных авиаполков. В его составе сражались 12 Героев Советского Союза и один дважды Герой – гвардии полковник Покрышев. После войны полк базировался на аэродроме Кубинка под Москвой и входил в состав 324-й ИАД ВВС Московского ВО. Наряду с боевой подготовкой, летчики этой элитной части испытывали новейшую боевую технику (полк первым в ВВС переучился на МиГ-15), а также принимали участие в воздушных парадах над столицей.

14 февраля 1950г. 29-й ГИАП убыл в правительственную командировку на Дальний Восток, где вошел в состав 106-й ИАД. Перед личным составом была поставлена задача прикрыть г. Шанхай от бомбардировок гоминь-дановской авиации. До августа 1950 г. полк успешно выполнял эту задачу, сбив 3 самолета противника. Летчики переучили личный состав 10-го ИАП ВВС КНР на самолеты МиГ-15 и уже готови-лись к возвращению домой. Но 10 октября 1950 г. полк включили в состав 50-й ИАД и поставили новую боевую задачу – прикрыть Северную Корею от ударов с воздуха. До середины ноября 29-й ГИАП совместно с 177-м ИАП на территории Ляодуньского полуострова, арендованной у Китая Советским Союзом, производили сборку и облет но-

веньких МиГ-15бис, на которых летчикам предстояло идти в бой. К 15 ноября формирование 50-й ИАД завершилось, и в течение последующих пяти дней она перебазировалась на китайский аэродром Аныиань. Там дивизия несла боевое дежурство, прикрывая г. Мукден, электростанцию на реке Ялуцзян, железнодорожную станцию и г. Аныиань, и одновременно готовилась к предстоящим боевым действиям.

Оценивая готовность летчиков 29-го ГИАП к боевой работе, нужно отметить, что практически весь командный и летный состав полка имел опыт Великой Отечественной войны. На очень высоком уровне были не только пилотажная подготовка, но и морально-волевое состояние летчиков. Достаточно сказать, что в этот период более 30 человек устно или письменно обращались к командованию с просьбами об участии в предстоящих боях.

Первые победы в небе Кореи 29-й ГИАП одержал 1 декабря. В 12.10 была поднята 1-я эскадрилья гв. ст. л-та Орлова, которую навели на три бомбардировщика В-29, следовавших вдоль реки Ялуцзян в направлении г. Аньдун. Орлов, оставив в прикрытии пару гв. ст. л-та Дердиенко, звеном атаковал американские самолеты. После первой атаки строй звена МиГов распался, и в дальнейшем все атаки производились парами Ор-лова и гв. к-на Богатырева самостоятельно. После второй атаки пары Орлова у ведущего В-29 задымил правый внутренний мо-тор, после чего «сверхкрепость» покинула место в строю и упала в 40 км восточнее Аньдуна. А несколько позднее, после второй атаки пары Богатырева, задымил и упал в этом же районе еще один В-29. Если в первом случае бомбардировщик сбил ведущий пары, то во втором отличился ведомый – гв. ст. л-т Гребенкин. Правда, пара Богатырева ошибочно атаковала дальний от себя В-29, тем самым дав возможность его стрелкам вести по ней прицельный огонь в течение продолжительного времени. В результате МиГ Гребенкина получил пулевые пробоины фонаря кабины, стабилизатора и правой плоскости крыла, тем не менее, он благополучно вернулся на свой аэродром.

Летчики-участники боев в Корее.

Слева направо: В. Бондаренко, А. Рыжов, четвертый – М. Федосеев, далее – Ю. Сотников, А. Перекрест, Н. Петров

These pilots took part in air combats in Korea. From left to right: V. Bondarenko, A. Ryzhov, the fourth – M. Fedoseyev, then – Yu. Sotnikov, A. Perekrest, N. Petrov

В «китайский» период МиГ-15 полка несли двузначные номера, красные полосы на руле направления и опознавательные знаки ВВС НОАК

During "Chinese» period МиГ- 15s of the regiment had two-digit numbers, red stripes on rudder and insignias of AF of People's Liberation Army of China

Гв. k-h Чумаков принимает доклад техника гв. л-та Мякишева о готовности самолета к вылету. Район Шанхая, аэродром Дачан, лето 1950 г.

Guards Captain Chumakov is taking report of Guards Lieutenant Myakishev aircraft technician on readi-ness of the aircraft for flight

4 декабря, завершив боевую подготовку, полк был передислоцирован на аэродром Аньдун, откуда стал осуществлять прикрытие тылов и частей северокорейской армии и китайских добровольцев на полный такти-ческий радиус действия самолета МиГ-15бис. Первый же день на новом месте выдался очень напряженным: летчики полка совер-шили 36 боевых вылетов и дважды вступали в бой. Вначале отличилась четверка под командованием штурмана 2-й АЭ гв. к-на Введенского, которая перехватила в районе Анею реактивный разведчик RB-45A и после нескольких атак сбила его. Воздушную победу записали на счет гв. ст. л-та Ан-дрианова. Затем, в 13.18, в бой с двумя F-80 Shooting Star* вступила четверка 1 -и АЭ под командованием гв. к-на Науменко, который сумел незаметно сблизиться с амери-канскими самолетами и двумя последова-тельными атаками сбить оба. Однако с боевого задания не вернулся ведущий второй пары гв. ст. л-т Румянцев, который совершенно неоправданно стал преследовать уже тяжело поврежденный F-80. При этом скорость МиГа превысила критический рубеж, что привело к деформации рулей высоты и падению самолета – это была первая потеря полка в корейской войне.

С 10 декабря авиация США увеличила свою активность. Американские истребители-бомбардировщики начали действовать большими группами (до 24 единиц), применяя тактику наращивания сил. В тот день восемь МиГ-15бис из 2-й и 3-й АЭ провели воздушный бой с двадцатью F-80. Самолеты противника были эшелонированы по высоте с целью затруднить МиГам использовать свои преимущества в вертикальном маневре. Однако эта тактика оправдала надежды американцев лишь частично. Атаковавшая первой четверка гв. к-на Юркевича не 5 декабря отличилась четверка гвар-дейцев под командованием штурмана полка гв. м-ра Келейникова, которая, производя по заданию командира 64-го ИАК разведку воздушной обстановки в районе железнодорожной станции Кайсен-Кисен, встре-тила восемь «Шутинг Старев». В первой же атаке Келейников сбил с короткой дистанции замыкающий F-80 из нижнего звена противника. А во время повторной атаки того же звена ведомый командира гв. ст. л-т Петров сбил второй американский истребитель, пытавшийся атаковать Келейникова.

На следующий день летчики 29-го ГИАП провели два воз-душных боя и добились весомого успеха. Шестерка МиГов под командованием Науменко была наведена на пять В-29 и в ходе двух атак три из них сбила. Отличились; Науменко, его ведомый гв. л-т Минин и ведущий третьей пары Богатырев. Итог мог быть еще лучше, но бой проходил на большом удалении от Аньдуна, что вынудило группу выйти из боя из-за нехватки топлива. Великолепный результат, достигнутый летчиками 1-й АЭ, был омрачен гибелью ведомого второй пары гв. л-та Серикова, который, вероятно, не справился с управлением в сложных метеоусловиях. (Место падения его самолета не было найдено, и говорить о причине гибели можно лишь предположительно). В середине дня отличились летчики 2-й АЭ, которые в условиях плохой видимости обнаружили над Сингисю несколько F-80, штурмовавших наземные цели. Пара командира эскадрильи гв. к-на Крымского атаковала четверку противника. Ведущий с первого захода сбил «Шутинг Стар» и еще один повредил во второй атаке.

7 декабря провела свой первый бой 3-я АЭ, встретившись в воздухе с четверкой «Шутинг Старое». Командир второго звена гв. ст. л-т Павленко первым атаковал американцев и с близкой дистанции сбил один F-80. Вторую атаку провел со своим ве-домым гв. ст. л-т Федосеев, который сбил еще один самолет противника. К сожалению, в том бою, предположительно, из-за технической неисправности самолета погиб Павленко. В последующие два дня летчики 29-го ГИАП провели еще несколько воздушных боев с небольшими группами «Шутинг Старов», в которых гв. ст. л-ты Перекрест и Гречко одержали по одной победе, смогла добиться успеха, но подошед

шая четверка Введенского сбила один «Шутинг Стар»*. Успешную атаку провел гв. ст. л-т Глинский. Однако советским летчикам впервые пришлось вести оборонительный бой. Самолет Петрова получил повреждения, но долетел до аэродрома и благополучно приземлился. В последующие дни противник при подходе МиГов, как правило, боя не принимал и уходил со снижением за пределы района действия советских истребителей. Тем не менее, 12, 14 и 15 декабря летчикам 29-го полка удалось сбить 4 американских самолета.

* В документах указывается, что бой проходил с F-84 Thunderjet. Но это ошибка, так как «Тандерджеты» в то время еще не участвовали в боевых действиях.

F-80C из 7 то FB5 будущего аса к-на Р. Парра. Зима 1950-51 гг.

F-80C of the 7th FBS. It is flown by captain R. Parra who will be ace. Winter 1950-51

Так как «Шутинг Стары» заметно уступали по характеристикам МиГ-15бис, командование ВВС США в спешном порядке перебросило в Корею 4-ю истребительную группу, полностью вооруженную F-86 Sabre. 17 декабря летчики 29-го ГИАП впервые вступили в бой с новейшими американскими истребителями. Четверка МиГ-15бис под командованием Келейникова встретила несколько F-86 (по документам – 10), эшелонированных по высоте. Гвардейцы на встречных курсах атаковали нижнюю четверку противника, но на выходе из атаки были обстреляны двумя находившимися выше «Сейбрами». В результате МиГ инспектора по технике пилотирования и тактике полетов 50-й НАД м-ра Ефременко получил значительные повреждения, пилот катапультировался. Неудачно сложился для наших летчиков и второй бой с F-86, состоявшийся 19 декабря. Шестерка МиГов под командованием Юркевича была наведена на 10 «Сейбров». Обнаружив 4 самолета противника, МиГи атаковали их, однако в ходе преследования сами подверглись нападению шести F-86, которые летели выше. В результате МиГ-15бис гв. л-та Бондаренко, ведомого Перекреста, был поврежден. Лишь после нескольких резких маневров эта пара смогла оторваться от американцев и вернуться домой.

Советским летчикам удалось взять реванш 21 декабря, когда четверка под командованием Юркевича была наведена на восемь «Сейбров». На этот раз МиГ-15бис подошли к району встречи на высоте 11000 м и со стороны солнца свалились на противника. Юркевич атаковал сзади и сбил ведущий F-86, но в момент ведения огня сам подвергся нападению противника – один из «Сейбров» с дистанции 800 м сумел нанести повреж-дения его самолету. В дальнейшем этот МиГ опять был атакован и поврежден, но летчику удалось оторваться от преследования и вернуться на свой аэродром.

22 декабря в бой с F-86 вступил 177-й ИАП, а 29-й полк вновь встретился с ними 24 числа. В тот день шестерка 1-й АЭ в составе ударного звена Науменко и прикрывающей пары Орлова, эшелонированная по высоте, встретила группу «Сей-бров» в районе станции Сенсен. Заметив 4 американских истре-бителя, ударная группа выполнила резкий маневр и атаковала их. Науменко зашел в хвост ведущему второй пары противника и с дистанции 800 м сбил его. Первая пара F-86, не принимая боя, с резким снижением ушла на свою территорию, а находившаяся выше другая четверка «Сейбров» лишь сымитировала атаку на пару Орлова, но после того, как звено Науменко открыло заградительный огонь, ушла в сторону моря. Уже через 50 минут МиГи той же эскадрильи встретили 4 F-86 в районе станции Синходо. Американцы попытались атаковать ударную группу Орлова, но попали под огонь прикрывающей группы Науменко. Звено противника рассыпалось на одиночные самолеты, которые со снижением ушли в южном направлении. При этом один из F-86, атакованный Науменко, вошел в отвесное пикирование и упал в районе станции. Эта победа Науменко стала второй в тот день и в общей сложности его пятой победой. Таким образом, гв. к-н Науменко Степан Иванович, совершив 21 боевой вылет и проведя 7 воздушных боев, стал первым советским асом на реактивном истребителе и первым асом Корейской войны.

* В документах указывается, что бой проходил с F-84 Thunderjet. Но это ошибка, так как «Тандердж amp;ты» в то время еще не участвовали в боевых действиях.

28 декабря утром 3-я эскадрилья полка была наведена на американские штурмовики, но бой прошел безрезультатно – хотя летчики и доложили о сбитии 3 вражеских самолетов, эти воздушные победы не были подтверждены. Днем на перехват противника вылетели 12 МиГ-15 из состава 29-го ГИАП и 10-го ИАП ВВС КНР. Над Сенсеном ведущий группы Орлов снизился и, пробив густую облачность, обнаружил два F-80*, штурмующих железнодорожную станцию. Орлов и его ведомый гв. ст. л-т Володкин произвели несколько атак и сбили оба «Шутинг Стара». Звенья Науменко и Ли Хана в условиях плохой види-мости не смогли обнаружить самолеты противника.

Следующий воздушный бой, последний в 1950 г., летчики полка провели 30 декабря. Четверка МиГов 1-й АЭ под коман-дованием Науменко встретила в районе г. Сингисю 16 F-86, эшелонированных по высоте. Командир и его ведомый гв. ст. л-т Любимов атаковали два находившихся ниже «Сейбра», но при этом сами попали под огонь пары истребителей из нижнего яруса боевого порядка американцев. Любимов, прикрывая командира, сбил ведущего этой пары, после чего второй F-86 прекратил преследование и ушел на свою территорию. В это время в район воздушного боя подошли 14 МиГ-15бис из 2-й и 3-й эскадрилий под командованием Келейникова, и противник ушел в южном направлении. Все МиГи благополучно вернулись на аэродром, правда, самолет Науменко имел 12 пробоин. В тот же день директивой МО СССР за успешное выполнение правительственного задания все офицеры и сержанты 50-й НАД, принимавшие непосредственное участие в боях или обеспечивавшие выполнение боевых задач, были повышены в воинском звании на одну ступень.

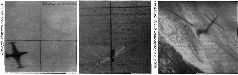
В объективе ФКП: F-80 и F-84, атакуемые МиГами

In the objective of camera: F-80 and F-84 are being attacked by МиГз

МиГ-15, атакуемый «Сейбром»

МиГ-15 is being attacked by Sabre

Более 800 000 книг и аудиокниг! 📚

Получи 2 месяца Литрес Подписки в подарок и наслаждайся неограниченным чтением

ПОЛУЧИТЬ ПОДАРОК