ИСУ-152

В связи с принятием осенью 1943 года на вооружение Красной Армии нового тяжелого танка ИС и снятием с производства КВ-1C, возникла необходимость создания тяжелой САУ уже на базе нового тяжелого танка. Постановление Государственного Комитета Обороны № 4043сс от 4 сентября 1943 года предписывало Опытному заводу № 100 в Челябинске совместно с техническим управлением Главного бронетанкового управления Красной Армии до 1 ноября 1943 года спроектировать, изготовить и испытать артсамоход ИС-152 на базе танка ИС.

Одна из первых серийных ИСУ-152 на полигоне. 1944 год.

При разработке установка получила заводское обозначение «объект 241». Ведущим конструктором был назначен Г.Н. Москвин. Опытный образец изготовили в октябре. В течение нескольких недель САУ проходила испытания на НИБТПолигоне в Кубинке и Артиллерийском научно-испытательном опытном полигоне (АНИОП) в Гороховце. 6 ноября 1943 года постановлением ГКО новую машину приняли на вооружение под обозначением ИСУ-152, а в декабре началось ее серийное производство.

Компоновка ИСУ-152 принципиальными новшествами не отличалась. Боевая рубка, изготовленная из катаных броневых листов, устанавливалась в передней части корпуса, объединяя в один объем отделения управления и боевое. Моторно-трансмиссионное отделение находилось в кормовой части корпуса. Носовая часть корпуса на установках первых выпусков изготавливалась литой, на машинах последних выпусков имела сварную конструкцию.

Самоходная установка ИСУ-152 во дворе Челябинского Кировского завода. Весна 1944 года.

Количество и размещение членов экипажа были такими же, как и у СУ-152. Если экипаж состоял из четырех человек, то обязанности заряжающего выполнял замковый. Для посадки экипажа в крыше рубки имелись два круглых люка в передней части и один прямоугольный в кормовой. Все люки закрывались двухстворчатыми крышками, в верхних створках которых были установлены приборы наблюдения МК-4. В лобовом листе рубки располагался смотровой лючок механика-водителя, закрывавшийся броневой пробкой со стеклоблоком и смотровой щелью.

Сама по себе конструкция боевой рубки принципиальным изменениям не подверглась. Из-за меньшей ширины танка ИС, по сравнению с КВ, пришлось уменьшить наклон бортовых листов с 25° до 15° к вертикали, а наклон кормового листа ликвидировать совсем. Толщина брони при этом возросла с 75 до 90 мм у лобового листа рубки и с 60 до 75 мм у бортовых.

Маска пушки имела толщину 60 мм, а впоследствии была доведена до 100 мм. Крыша рубки состояла из двух частей. Передняя часть крыши приваривалась к передним, скуловым и бортовым листам. В ней, помимо двух круглых люков, делалось отверстие для установки вентилятора боевого отделения (посередине), которое снаружи закрывалось броневым колпаком, и также предусматривались лючок для доступа к заливной горловине левого переднего топливного бака (слева) и отверстие антенного ввода (справа). Задний лист крыши выполнялся съемным и крепился болтами. Следует отметить, что установка вытяжного вентилятора стала существенным достоинством ИСУ-152, по сравнению с СУ-152, в которой вытяжной принудительной вентиляции не было вообще, и члены экипажа во время боя порой теряли сознание от скапливавшихся пороховых газов. Впрочем, по воспоминаниям самоходчиков, и на новой машине вентиляция оставляла желать лучшего — при открывании затвора после выстрела лавина густого порохового дыма, похожая на сметану, струилась из ствола орудия и медленно растекалась по полу боевого отделения.

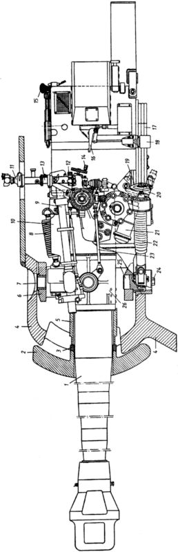
Интерьер ИСУ-152 (вид в нос): 1 — передний левый топливный бак; 2 — тахометр; 3 — панорама Герца; 4 — пулеметные магазины; 5 — сумка для документов; 6 — кронштейн походного крепления орудия; 7 — амбразура для стрельбы из личного оружия; 8 — перископ; 9 — лента походного крепления орудия; 10 — радиостанция; 11 — сиденье командира; 12 — сиденье замкового; 13 — пушка-гаубица МЛ-20C; 14 — трос для натяжения гусеницы; 15 — ящик с радиолампами; 16 — ящик ЗИПа приборов наблюдения; 17 — телескопический прицел; 18 — подъемный механизм пушки; 19 — сиденье наводчика; 20 — поворотный механизм пушки; 21 — сиденье механика-водителя; 22 — аварийный люк; 23 — обогреватель (керогаз).

Интерьер боевого отделения ИСУ-152.

Крыша над моторно-трансмиссионным отделением состояла из съемного листа над двигателем, сеток над окнами воздухопритока к двигателю и броневых решеток над жалюзи. В съемном листе имелся люк для доступа к узлам и агрегатам двигателя, закрывавшийся откидной крышкой. В задней части листа располагались два лючка для доступа к заправочным горловинам топливного и масляного баков. Средний кормовой лист корпуса в боевом положении привинчивался болтами, при ремонте он мог быть откинут на петлях. Для доступа к агрегатам трансмиссии в нем имелись два круглых люка, закрывавшихся откидными броневыми крышками. Днище корпуса было сварено из трех броневых листов и имело лючки и отверстия, закрывавшиеся броневыми крышками и пробками.

152-мм гаубица-пушка MЛ-20. C обр. 1937/43 гг. монтировалась в литой рамке, игравшей роль верхнего станка орудия, и защищалась литой же броневой маской, заимствованной у СУ-152. Качающаяся часть самоходной гаубицы-пушки имела незначительные отличия, по сравнению с полевой: были установлены откидной лоток для облегчения заряжания и дополнительная тяга к спусковому механизму, ручки маховиков подъемного и поворотного механизмов находились у наводчика слева по ходу машины, цапфы были вынесены вперед для естественного уравновешивания.

Вертикальные углы наведения колебались в пределах от -3° до +20°, горизонтальные — в секторе 10°. Высота линии огня составляла 1800 мм. Для стрельбы прямой наводкой применялся телескопический прицел СТ-10 с полунезависимой линией прицеливания, для ведения огня с закрытых огневых позиции служила панорама Герца с удлинителем, объектив которой выходил из рубки через открытый левый верхний люк.

Схема бронирования ИСУ-152.

Тяжелые САУ ИСУ-152 ведут бой на Карельском перешейке. Июнь 1944 года.

При стрельбе в ночных условиях шкалы прицела и панорамы, а также прицельная и орудийная стрелки подсвечивались электрическими лампочками прибора «Луч 5». Дальность стрельбы прямой наводкой составляла 3800 м, наибольшая — 6200 м. Скорострельность — 2–3 выстр./мин. Орудие имело электрический и механический (ручной) спуски. Гашетка электроспуска находилась на ручке маховика подъемного механизма. На орудиях первых выпусков использовался механический (ручной) спуск. Подъемный и поворотный механизмы секторного типа, крепились на кронштейнах к левой щеке рамки.

Боекомплект состоял из 21 выстрела раздельного гильзового заряжания с бронебойно-трассирующими остроголовыми снарядами БР-540, осколочно-фугасными пушечными и стальными гаубичными гранатами ОФ-540 и ОФ-530, осколочными гаубичными гранатами из сталистого чугуна О-5З0А. Бронебойно-трассирующие снаряды находились в нише боевой рубки с левой стороны в специальных рамках, осколочно-фугасные гранаты — там же, гильзы с боевыми зарядами в нише рубки в специальных рамках и в хомутиковой укладке.

ИСУ-152 на подступах к Полоцку. Июль 1944 года.

Часть гильз с боевыми зарядами размещалась на днище под орудием. Начальная скорость бронебойного снаряда при массе 48,78 кг составляла 600 м/с, на дальности 1000 м он пробивал броню толщиной 123 мм.

На части машин с октября 1944 года на вращающемся погоне командирского люка стала устанавливаться зенитная турель с 12,7-мм пулеметом ДШК обр.1938 года. Боекомплект к пулемету составлял 250 патронов. Кроме того, в боевом отделении укладывались два пистолета-пулемета ППШ (позже — ППС) с боекомплектом 1491 патрон и 20 ручных гранат Ф-1.

Силовая установка и трансмиссия были заимствованы у танка ИС-1 (ИС-2). На ИСУ-152 устанавливался 12-цилиндровый четырехтактный дизель В-2ИС (В-2-10) мощностью 520 л.с. при 2000 об/мин. Цилиндры располагались V-образно под углом 60°. Степень сжатия 14–15. Масса двигателя 1000 кг.

ИСУ-152 333-го гвардейского тяжелого самоходно-артиллерийского полка на улице освобожденного Полоцка. 1-й Прибалтийский фронт, 4 июля 1944 года.

Пуск двигателя осуществлялся инерционным стартером, имевшим ручной и электрический приводы, или с помощью баллонов со сжатым воздухом.

Общая емкость трех топливных баков составляла 520 л. Еще 300 л перевозилось в трех наружных баках, не подключенных к системе питания. Подача топлива принудительная, с помощью двенадцатиплунжерного топливного насоса высокого давления НК-1.

Система смазки — циркуляционная, под давлением. В бак системы смазки был встроен циркуляционный бачок, обеспечивавший быстрый прогрев масла и возможность пользоваться методом разжижения масла бензином.

Интерьер ИСУ-152 (правый борт рубки): 1 — радиостанция; 2 — сумка для переносных ламп; 3 — ТПУ командира; 4 — перископ; 5 — электрощиток; 6 — ящик запасных частей электрооборудования; 7 — аптечка; 8 — ТПУ замкового; 9 — плафон; 10 — огнетушитель; 11 — заряды; 12 — бачок для питьевой воды; 13 — пила; 14 — ящик с инструментом ходовой части; 15 — ящик с инструментом водителя и трансмиссии; 16 — ящик для возимых запасных частей; 17 — ящик для продуктов; 18 — брезентовое ведро; 19 — сиденье замкового; 20 — сиденье командира; 21 — штыревая антенна.

Экипаж ИСУ-152 отдыхает после боя. Белоруссия, 1944 год.

ИСУ-152.

Интерьер ИСУ-152 (левый борт рубки): 1 — гудок наружного вызова; 2 — плафон; 3 — панорама Герца; 4 — обогреватель (керогаз); 5 — люк для загрузки артвыстрелов; 6 — сиденье заряжающего; 7 — снаряды.

Система охлаждения — жидкостная, закрытая, с принудительной циркуляцией. Радиаторов — два, пластинчато-трубчатых, подковообразной формы, установленных над центробежным вентилятором.

Для очистки воздуха, поступающего в цилиндры двигателя, на САУ устанавливались два воздухоочистителя марки ВТ-5 типа «мультициклон». В головки воздухоочистителей были встроены форсунки и запальные свечи для подогрева всасываемого воздуха зимой. Кроме того, для подогрева охлаждающей жидкости в системе охлаждения двигателя использовались фитильные обогреватели, работавшие на дизельном топливе. Эти же обогреватели обеспечивали и обогрев боевого отделения машины на длительных стоянках.

Трансмиссия САУ включала в себя многодисковый главный фрикцион сухого трения (сталь по ферродо), четырехступенчатую восьмискоростную коробку передач с демультипликатором, двухступенчатые планетарные механизмы поворота с многодисковым блокировочным фрикционом и двухступенчатые бортовые передачи с планетарным рядом.

Артсамоход ИСУ-122 в Музее освобождения Познани, Польша (фото вверху). Хорошо видно, что внешне ничем кроме ствола пушки от ИСУ-152 эта машина не отличается (фото внизу).

Ходовая часть САУ применительно к одному борту состояла из шести сдвоенных литых опорных катков диаметром 550 мм и трех поддерживающих катков. Ведущие колеса заднего расположения имели два съемных зубчатых венца с 14-ю зубьями каждый. Направляющие колеса — литые, с кривошипным механизмом натяжения гусениц, взаимозаменяемые с опорными катками. Подвеска — индивидуальная торсионная. Гусеницы стальные, мелкозвенчатые, из 86 одногребневых траков каждая. Траки штампованные, шириной 650 мм и шагом 162 мм. Зацепление цевочное.

Самоходно-артиллерийская установка ИСУ-122С во дворе завода № 100. Апрель 1944 года.

122-мм пушка А-19 образца 1931 года.

Самоходная установка ИСУ-122 и тяжелый танк ИС-2 на одной из дорог Трансильвании. Румыния, 3-й Украинский фронт, сентябрь 1944 года.

Для внешней радиосвязи на машинах устанавливались радиостанции 10Р или 10РК, для внутренней — переговорное устройство ТПУ-4-БИС-Ф. Для связи с десантом на корме имелась кнопка звуковой сигнализации.

Уже в начале 1944 года выпуск ИСУ-152 стал сдерживаться нехваткой орудий МЛ-20. Предвидя такую ситуацию, на артиллерийском заводе № 9 в Свердловске наложили ствол 122-мм корпусной пушки А-19 на люльку орудия МЛ-20C и в результате получили тяжелый артсамоход ИСУ-122 («объект 242»). Опытный образец установки в декабре 1943 года проходил испытания на Гороховецком полигоне. Постановлением ГКО от 12 марта 1944 года ИСУ-122 была принята на вооружение Красной Армии. Серийное производство машины началось на ЧКЗ с апреля 1944 года и продолжалось до сентября 1945-го.

ИСУ-122 представляла собой вариант САУ ИСУ-152, в котором 152-мм гаубица-пушка MЛ-20C была заменена на 122-мм пушку А-19 обр. 1931/37 гг. При этом пришлось несколько изменить и подвижную бронировку орудия. Высота линии огня составляла 1790 мм. В мае 1944 года в конструкцию ствола пушки А-19 были внесены изменения, которые нарушили взаимозаменяемость новых стволов с ранее выпущенными.

Общий вид 122-мм самоходной пушки обр. 1944 г.: 1 — ствол; 2 — подвижная бронировка; 3 — резиновый буфер; 4 — неподвижная бронировка; 5 — муфта; 6 — рама; 7 — верхняя вертикальная цапфа; 8 — уравновешивающий механизм; 9 — телескопический шарнирный прицел; 10 — тормоз отката; 11 — панорама; 12 — боковой уровень; 13 — удлинитель прицела; 14 — рукоятка маховика панорамного прицела; 15 — ручка рукоятки затвора; 16 — спусковой механизм; 17 — уравновешивающий груз ограждения; 18 — реле электроспуска; 19 — маховик поворотного механизма; 20 — маховик подъемного механизма; 21 — подъемный механизм; 22 — поворотный механизм; 23 — привод панорамного прицела; 24 — регулирующая гайка; 25 — вертикальная нижняя цапфа; 26 — люлька.

Модернизированное орудие получило наименование «122-мм самоходная пушка обр. 1931/44 гг». Оба орудия имели поршневой затвор. Длина ствола составляла 46,3 калибра. Устройство пушки А-19 во многом было одинаково с MЛ-20C. Она отличалась от последней стволом меньшего калибра с увеличенной на 730 мм длиной, отсутствием дульного тормоза и меньшим числом нарезов. Для наведения орудия использовались подъемный механизм секторного типа и поворотный механизм винтового типа. Углы вертикальной наводки составляли от -3° до +22°, по горизонтали — в секторе 10°. Для предохранения подъемного механизма от инерционных нагрузок в его конструкцию было введено сдающее звено в виде конусной фрикционной муфты, размещенной между червячным колесом и шестерней подъемного механизма. При стрельбе использовались телескопический прицел СТ-18, который отличался от прицела СТ-10 только нарезкой шкал, и панорамный прицел с полунезависимой или с независимой линией прицеливания (панорама Герца). Дальность стрельбы прямой наводкой составляла 5000 м, наибольшая — 14 300 м. Скорострельность — 2–3 выстр./мин.

В боекомплект установки входили 30 выстрелов раздельно-гильзового заряжания с бронебойно-трассирующим остроголовым снарядом БР-471 и бронебойно-трассирующим снарядом с баллистическим наконечником БР-471Б, а также осколочно-фугасными пушечными гранатами: цельнокорпусной короткой ОФ-471Н, с привинтной головкой и длинной — ОФ-471. Начальная скорость бронебойного снаряда при массе 25 кг составляла 800 м/с. Дополнительно в боевом отделении укладывались два пистолета-пулемета ППШ (ППС) с боекомплектом 1491 патрон (21 диск) и 25 ручных гранат Ф-1.

С октября 1944 года на части машин устанавливался зенитный пулемет ДШК с боекомплектом 250 патронов.

В апреле 1944 года в КБ завода № 100 была создана самоходно-артиллерийская установка ИСУ-122С (ИСУ-122-2, «объект 249»), представлявшая собой модернизированный вариант ИСУ-122. В июне установка прошла испытания на АНИОПе в Гороховце, а 22 августа 1944 года была принята на вооружение. В том же месяце начали ее серийное производство на ЧКЗ параллельно с ИСУ-122 и ИСУ-152, которое продолжалось до сентября 1945 года.

ИСУ-152 на одной из площадей освобожденного Львова. 27 июля 1944 года.

Боевые машины 374-го тяжелого самоходно-артиллерийского полка 4-й танковой армии перед наступлением. Район Львова, июль 1944 года.

ИСУ-122С была создана на базе ИСУ-122 и отличалась от нее установкой пушки Д-25С обр. 1944 года с горизонтальным клиновым полуавтоматическим затвором и дульным тормозом. Высота линии огня составляла 1795 мм. Длина ствола — 48 калибров. За счет более компактных противооткатных устройств и казенной части пушки удалось повысить скорострельность до 6 выстр./мин. Углы вертикальной наводки составляли от -3° до +20°, по горизонтали — в секторе 10° (7° вправо и 3° влево). Прицелы пушки — телескопический ТШ-17 и панорама Герца. Дальность стрельбы прямой наводкой — 5000 м, максимальная — до 15 ООО м. Боекомплект — такой же, как у пушки А-19. Внешне СУ-122С отличалась от СУ-122 стволом орудия и новой литой маской толщиной 120–150 мм.

С 1944 по 1947 год было изготовлено 2790 самоходных установок ИСУ-152, 1735 — ИСУ-122 и 675 — ИСУ-122С. Таким образом, суммарный выпуск тяжелых артсамоходов — 5200 штук — превысил число изготовленных тяжелых танков ИС — 4499 единиц. Следует отметить, что, как и в случае с ИС-2, к выпуску самоходных орудий на его базе должен был подключиться Ленинградский Кировский завод. До 9 мая 1945 года там собрали первые пять ИСУ-152, а до конца года — еще сто. В 1946 и 1947 годах производство ИСУ-152 осуществлялось только на ЛКЗ.

С весны 1944 года тяжелые самоходно-артиллерийские полки СУ-152 перевооружались установками ИСУ-152 и ИСУ-122. Их переводили на новые штаты и всем присваивали звание гвардейских. Всего до конца войны было сформировано 56 таких полков, в каждом имелась 21 машина ИСУ-152 или ИСУ-122 (часть из этих полков — смешанного состава). 1 марта 1945 года 143-я отдельная танковая Невельская бригада в Белорусско-Литовском военном округе была переформирована в 66-ю гвардейскую Невельскую тяжелую самоходно-артиллерийскую бригаду РВГК трехполкового состава (1804 человека, 65 ИСУ-122 и три СУ-76).

Командир ИСУ-122 гвардии лейтенант В.П. Орлова и ее муж — механик-водитель гвардии лейтенант Н.Н. Орлов. 3-й Прибалтийский фронт, октябрь 1944 года.

Тяжелые самоходно-артиллерийские полки, приданные танковым и стрелковым частям и соединениям, в первую очередь использовались для поддержки пехоты и танков в наступлении. Следуя в их боевых порядках, САУ уничтожали огневые точки противника и обеспечивали пехоте и танкам успешное продвижение. В этой фазе наступления САУ становились одним из основных средств отражения танковых контратак. В ряде случаев им приходилось выдвигаться вперед боевых порядков своих войск и принимать удар на себя, обеспечивая тем самым свободу маневра поддерживаемых танков.

Так, например, 15 января 1945 года в Восточной Пруссии, в районе Борове, немцы силою до одного полка мотопехоты при поддержке танков и самоходных орудий контратаковали боевые порядки нашей наступавшей пехоты, вместе с которой действовал 390-й гвардейский тяжелый самоходно-артиллерийский полк. Пехота под давлением превосходящих сил противника отошла за боевые порядки самоходчиков, встретивших удар немцев сосредоточенным огнем и прикрывших поддерживаемые подразделения. Контратака была отбита, и пехота вновь получила возможность продолжать свое наступление.

Тяжелые САУ иногда привлекались к участию в артподготовках. При этом огонь велся как прямой наводкой, так и с закрытых позиций. В частности, 12 января 1945 года во время Сандомирско-Силезской операции 368-й гвардейский полк ИСУ-152 1-го Украинского фронта в течение 107 минут вел огонь по опорному пункту и четырем артиллерийским и минометным батареям противника. Выпустив 980 снарядов, полк подавил две минометные батареи, уничтожил восемь орудий и до одного батальона солдат и офицеров противника. Интересно отметить, что дополнительные боеприпасы заранее выкладывались на огневых позициях, однако прежде всего расходовались снаряды, находившиеся в боевых машинах, иначе был бы значительно снижен темп стрельбы. Для последующего пополнения тяжелых САУ снарядами требовалось до 40 минут, поэтому они прекращали огонь заблаговременно до начала атаки.

ИСУ-152 гвардии младшего лейтенанта Г.П. Голопшина в засаде на левом берегу р. Западный Буг. 1-й Украинский фронт, 1944 год.

Тяжелые САУ ИСУ-152 поддерживают атакующую пехоту. Прибалтика, 1944 год.

Интерьер ИСУ-152 (корма рубки): 1 — заряды; 2 — амбразура для стрельбы из личного оружия; 3 — сумка с артинструментом; 4 — плафон; 5 — гудок наружного вызова; 6 — снаряды; 7 — лопата; 8 — обогреватель; 9 — лом; 10 — пробойник.

Батарея самоходных установок ИСУ-152 перед атакой. 1944 год.

Весьма эффективно тяжелые САУ использовались в борьбе с танками противника. Например, в Берлинской операции 19 апреля 360-й гвардейский тяжелый самоходно-артиллерийский полк поддерживал наступление 388-й стрелковой дивизии. Части дивизии овладели одной из рощ восточнее Лихтенберга, где и закрепились. На другой день противник силою до одного полка пехоты при поддержке 15 танков начал контратаковать. При отражении атак в течение дня огнем тяжелых САУ было уничтожено 10 немецких танков и до 300 солдат и офицеров.

В боях на Земландском полуострове в ходе Восточно-Прусской операции 378-й гвардейский тяжелый самоходно-артиллерийский полк при отражении контратак успешно применял построение боевого порядка полка веером. Это обеспечивало полку обстрел в секторе 180°, чем облегчало борьбу с танками противника, атакующими с разных направлений.

Командир ИСУ-152 гвардии старшина Е.С. Бугаенко и гвардии техник-лейтенант П.Т. Никонов. 1944 год.

ИСУ-122 в бою. 1-й Прибалтийский фронт, 1944 год.

Колонна ИСУ-152 на марше. 2-й Украинский фронт, 1944 год.

ИСУ-152 на дороге в Восточной Пруссии. Ноябрь 1944 года.

Характерные отличия САУ.

Одна из батарей ИСУ-152, построив свой боевой порядок веером на фронте протяженностью 250 м, успешно отразила 7 апреля 1945 года контратаку 30 танков противника, подбив шесть из них. Батарея потерь не понесла. Лишь две машины получили незначительные повреждения ходовой части.

На заключительном этапе Великой Отечественной войны характерной особенностью применения самоходной артиллерии стали бои в крупных населенных пунктах, в том числе хорошо укрепленных. Как известно, наступление на крупный населенный пункт является весьма сложной формой боя и по своему характеру во многом отличается от наступательного боя в обычных условиях.

Боевые действия в городе почти всегда расчленялись на ряд отдельных местных боев за отдельные объекты и узлы сопротивления.

Батарея ИСУ-122С в засаде. 3-й Украинский фронт, Венгрия, осень 1944 года.

Командир 384-го гвардейского тяжелого самоходно-артиллерийского полка подполковник И. Малютин ставит задачу командирам батарей. 1-й Украинский фронт, Польша, г. Ченстохова, 17 января 1945 года.

ИСУ-152 в зимнем камуфляже. Польша, декабрь 1944 года.

Это вынуждало наступавшие войска для ведения боя в городе создавать специальные штурмовые отряды и группы, обладавшие большой самостоятельностью. Штурмовые отряды и штурмовые группы являлись основой боевых порядков соединений и частей, ведущих бой за город.

Самоходно-артиллерийские полки и бригады придавались стрелковым дивизиям и корпусам, в последних они полностью или частями придавались стрелковым полкам, в которых использовались для усиления штурмовых отрядов и групп. В состав штурмовых групп включались самоходно-артиллерийские батареи и отдельные установки (обычно две). САУ, входившие в состав штурмовых групп, имели задачи непосредственного сопровождения пехоты и танков, отражения контратак танков и самоходных орудий противника и закрепления на занятых объектах. Сопровождая пехоту, САУ огнем прямой наводкой с места, реже с коротких остановок уничтожали огневые точки и противотанковые орудия противника, его танки и самоходки, разрушали завалы, баррикады и дома, приспособленные для обороны, и тем самым обеспечивали продвижение войск. Для разрушения зданий иногда применялся залповый огонь, дававший весьма хорошие результаты. В боевых порядках штурмовых групп самоходно-артиллерийские установки обычно двигались совместно с танками под прикрытием пехоты, если же танки отсутствовали, то они передвигались вместе с пехотой.

ИСУ-152 части полковника Н. Шишева выдвигаются на боевую позицию. Зима 1944 года.

Выкрашенные в белый цвет ИСУ-122 занимают огневую позицию на опушке леса. 2-й Прибалтийский фронт, 1945 год.

Выдвижение самоходно-артиллерийских установок для действий впереди пехоты оказалось неоправданным, так как они при этом несли большие потери от огня противника.

В 8-й гвардейской армии 1-го Белорусского фронта в боях за польский город Познань в состав штурмовых групп 74-й гвардейской стрелковой дивизии были включены по две-три ИСУ-152 394-го гвардейского тяжелого самоходно-артиллерийского полка. 20 февраля 1945 года в боях за 8-й, 9-й и 10-й кварталы города, непосредственно прилегавшие к южной части крепостной цитадели, штурмовая группа в составе взвода пехоты, трех ИСУ-152 и двух танков Т-34 очищала от противника квартал № 10. Другая группа в составе взвода пехоты, двух самоходно-артиллерийских установок ИСУ-152 и трех огнеметных ТО-34 штурмовала 8-й и 9-й кварталы. В этих боях САУ действовали быстро и решительно. Они приближались к домам и в упор уничтожали размещенные в окнах, подвалах и других местах зданий немецкие огневые точки, а также проделывали проломы в стенах зданий для прохода своей пехоты. При действиях вдоль улиц самоходки двигались, прижимаясь к стенам домов и уничтожая огневые средства противника, расположенные в зданиях на противоположной стороне. Своим огнем установки взаимно прикрывали друг друга и обеспечивали продвижение пехоты и танков. Вперед самоходно-артиллерийские установки продвигались поочередно перекатами, по мере продвижения пехоты и танков. В результате кварталы были быстро заняты нашей пехотой и немцы с большими потерями отошли в цитадель.

Опытные тяжелые САУ во дворе завода № 100 в Челябинске, 1944 год. Вверху — ИСУ-122-1 (объект 243), внизу — ИСУ-122-3 (объект 251).

Еще в декабре 1943 года, учитывая, что в дальнейшем у противника могут появиться новые танки с более мощным бронированием, ГКО специальным постановлением предписал спроектировать и изготовить к апрелю 1944 года самоходно-артиллерийские установки с орудиями повышенной мощности:

— со 122-мм пушкой, имеющей начальную скорость 1000 м/с при массе снаряда в 25 кг;

— со 130-мм пушкой, имеющей начальную скорость 900 м/с при массе снаряда в 33,4 кг;

— со 152-мм пушкой, имеющей начальную скорость 880 м/с при массе снаряда в 43,5 кг.

Все эти орудия пробивали броню толщиной 200 мм на дистанции 1500–2000 м.

В ходе выполнения этого постановления были созданы и в 1944–1945 годах испытаны артсамоходы: ИСУ-122-1 («объект 243») со 122-мм пушкой БЛ-9, ИСУ-122-3 («объект 251») со 122-мм пушкой С-26-1, ИСУ-130 («объект 250») со 130-мм пушкой С-26; ИСУ-152-1 («объект 246») со 152-мм пушкой БЛ-8 и ПСУ-152-2 («объект 247») со 152-мм пушкой БЛ-10.

ИСУ-122-3 на полигоне. Осень 1944 года.

Опытная САУ ИСУ-130 (объект 250), вооруженная 130-мм пушкой С-26 с характерным Т-образным дульным тормозом.

Опытные образцы САУ ИСУ-152-1 (вверху) и ИСУ-152-2 (внизу) во дворе завода № 100 в Челябинске. 1944–1945 годы.

Пушки БЛ-8, БЛ-9 и БЛ-10 разработало ОКБ-172 (не путать с заводом № 172), все конструкторы которого являлись заключенными. Отсюда и расшифровка буквенной аббревиатуры в индексах установок: «БЛ» — «Берия Лаврентий».

Пушка БЛ-9 (ОБМ-50) была сконструирована под руководством И.И.Иванова. Она имела поршневой затвор и оснащалась системой продувки канала ствола сжатым воздухом. Углы вертикального наведения составляли от -2° до +18°30?, по горизонтали — в секторе 9°30? (вправо 7°, влево 2°30?). При стрельбе использовались телескопический прицел СТ-18 и панорама Герца.

Приводы наведения орудия — такие же, как у самоходной установки ИСУ-122. Уравновешивание качающейся части относительно оси цапф производилось с помощью грузов, прикрепленных к неподвижной части ограждения пушки. В боекомплект установки входил 21 выстрел раздельно-гильзового заряжания с бронебойными снарядами. Начальная скорость бронебойного снаряда при массе 11,9 кг составляла 1007 м/с и на 200 м/с превышала аналогичный показатель 122-мм пушки Д-25. Конструкция корпуса и броневой рубки, силовая установка, трансмиссия, ходовая часть и электрооборудование машины были заимствованы у самоходной установки ИСУ-122. Для внешней связи служила радиостанция 10-РК-26, для внутренней — танковое переговорное устройство ТПУ-4БИС-Ф.

Первый опытный образец пушки БЛ-9 изготовили в мае 1944 года на заводе № 172, а в июне ее установили на ИСУ-122-1.

ИСУ-152-2 (объект 247) во дворе завода № 100. Лето 1944 года.

Артсамоход ИСУ-122 с опытной установкой зенитного пулемета ДШК и уширенными гусеницами.

Самоходки ИСУ-122 часто поступали на пополнение тяжелых танковых полков, вооруженных танками ИС-2. Судя по надписи на знамени, САУ на этих фото входила в состав одного из таких полков, номер которого на знамени, к сожалению, не разобрать.

Эту машину представили на полигонные испытания 7 июля 1944 года. Предварительных испытаний в Гороховце в августе 1944 года установка не выдержала из-за низкой живучести ствола. Новый ствол был изготовлен к началу февраля 1945 года, и после его монтажа самоходка вновь поступила на испытания, состоявшиеся в мае 1945 года. На последних при стрельбе произошел разрыв ствола из-за дефектов металла. После этого дальнейшие работы по ИСУ-122-1 прекратили.

Самоходная установка ИСУ-152-1 (ИСУ-152БМ) была создана в апреле 1944 года в КБ завода № 100, по инициативе ОКБ-172, предложившего разместить в установке СУ-152 разработанную у них 152-мм пушку БЛ-7, имевшую баллистику пушки Бр-2.

Модификация пушки для монтажа в САУ получила индекс БЛ-8 (ОБМ-43).

ИСУ-122 на улице Данцига (Гданьск). 375-й гвардейский тяжелый самоходно-артиллерийский полк. Польша, апрель 1945 года.

ИСУ-152 ведет бой на улице Данцига. Апрель 1945 года.

Тяжелая САУ с десантом ведет бой в Кенигсберге. Апрель 1945 года.

Самоходная установка ИСУ-122С в бою. 3-й Белорусский фронт, Кенигсберг, апрель 1945 года.

Она имела поршневой затвор, дульный тормоз оригинальной конструкции и систему продувки канала ствола сжатым воздухом из баллонов. Углы вертикального наведения составляли от -3°10? до +17°45?, горизонтального — в секторе 8°30? (вправо 6°30?, влево 2°). Высота линии огня — 1655 мм. При стрельбе использовались телескопический прицел СТ-10 и панорама Герца. Дальность стрельбы равнялась 18 500 м. Приводы наведения остались неизменными по сравнению с установкой ИСУ-122. Боекомплект включал 21 выстрел раздельно-гильзового заряжания. Начальная скорость бронебойного снаряда достигала 850 м/с. В связи с монтажом новой пушки конструкцию броневой маски орудия несколько изменили.

При проведении испытаний пушки БЛ-8 были выявлены «неудовлетворительные показатели по действию снарядов», ненадежность работы дульного тормоза и поршневого затвора, а также плохие условия работы расчета. Большой вылет ствола (общая длина установки составляла 12,05 м) ограничивал маневренность машины.

Данциг взят! ИСУ-122 одного из самоходно-артиллерийских полков 8-го гвардейского танкового корпуса. Апрель 1945 года.

ИСУ-152 во взятом Бреслау (ныне Вроцлав). 6 апреля 1945 года.

ИСУ-122 из 25-го полка самоходной артиллерии Войска Польского переправляется через р. Нейсе. Апрель 1945 года.

Подразделения тяжелого самоходно-артиллерийского полка у переправы через р. Шпрее. Германия, 1-й Украинский фронт, 24 апреля 1945 года.

По результатам испытаний БЛ-8 заменили пушкой БЛ-10 с клиновым полуавтоматическим затвором.

В декабре 1944 года самоходная установка ИСУ-152-2 с пушкой БЛ-10 проходила испытания на Ленинградском АНИОПе. Она их не выдержала из-за неудовлетворительной живучести ствола пушки и малого угла горизонтального наведения.

Пушку отправили на доработку на завод № 172, однако, до окончания войны ее доводка не была завершена.

Пушки С-26 и С-26-1 спроектировали в ЦАКБ под руководством В.Г. Грабина.

Колонна ИСУ-122 на подступах к Берлину. Германия, апрель 1945 года.

ИСУ-122 на окраине Берлина. На стене здания надпись: Berlin bleibt deutsch — Берлин останется немецким!

ИСУ-122 на огневой позиции. Германия, май 1945 года.

Самоходные установки ИСУ-122 на улице Берлина. Май 1945 года.

Пушка С-26 калибра 130 мм имела баллистику и боеприпасы от морской пушки Б-13, но обладала рядом принципиальных конструктивных отличий, так как оснащалась дульным тормозом, горизонтальным клиновым затвором и др. Длина ствола пушки — 54,7 калибра. Дальность стрельбы прямой наводкой — 5000 м, скорострельность — 2 выстр./мин. Боекомплект пушки состоял из 25 выстрелов раздельно-гильзового заряжания с бронебойными снарядами.

Начальная скорость бронебойного снаряда при массе 33,4 кг — 900 м/с. Пушка С-26-1 имела такую же баллистику, как и 122-мм пушка БЛ-9, и отличалась от нее наличием горизонтального клинового затвора и измененной конструкцией отдельных узлов. Длина ствола — 59,5 калибра. Дальность стрельбы прямой наводкой — 5000 м, максимальная — 16 000 м. Скорострельность — 1,5–1,8 выстр./мин. Начальная скорость бронебойного снаряда массой 25 кг — 1000 м/с.

Самоходы ИСУ-130 и ИСУ-122-3 изготовили на заводе № 100 осенью 1944 года. В качестве базы при их создании использовалась САУ ИСУ-122С.

САУ ИСУ-122 на переправе. Германия, май 1945 года.

Самоходная установка ИСУ-122 на улице Вены. Апрель 1945 года.

Батарея ИСУ-122 на улице Берлина. Май 1945 года.

В октябре 1944 года ИСУ-130 прошла заводские испытания, а в ноябре — декабре того же года — полигонные. По их результатам было принято решение направить пушку в ЦАКБ для доработки, которая затянулась до конца войны. Ходовые и артиллерийские испытания ИСУ-130 закончились только в июне 1945 года, когда принятие этой САУ на вооружение потеряло смысл. Опытный образец САУ ИСУ-122-3 проходил полигонные испытания в ноябре 1944 года и не выдержал их из-за неудовлетворительной живучести ствола. Доработка ствола была завершена лишь в июне 1945 года.

Самоходкам с опытными образцами пушек были свойственны те же недостатки, что и остальным САУ на шасси танка ИС: большой вылет ствола вперед, снижавший маневренность в узких проходах, малые углы горизонтального наведения орудия и сложность самого наведения, что затрудняло стрельбу по подвижным целям; невысокая боевая скорострельность из-за относительно небольших размеров боевого отделения; большая масса выстрелов; раздельно-гильзовое заряжание и наличие у ряда орудий поршневого затвора; плохая обзорность из машин; малый боекомплект и сложность его пополнения в ходе боя.

Вместе с тем, хорошая противоснарядная стойкость корпуса и рубки этих САУ, достигнутая за счет установки мощных броневых плит под рациональными углами наклона, позволяла использовать их на дистанции прямого выстрела и достаточно эффективно поражать любые цели.

На базе ИСа проектировались самоходки и с более мощными орудиями. Так, в начале 1944 года проект САУ С-51 был переведен на шасси танка ИС. Однако, из-за отсутствия необходимого количества 203-мм гаубиц Б-4, производство которых было уже завершено, приняли решение о создании самоходного варианта 152-мм пушки большой мощности Бр-2.

Самоходная установка ИСУ-152 в центре Берлина на фоне здания Рейхстага. 30 апреля 1945 года.

ИСУ-152К.

К лету 1944 года новая САУ, получившая индекс С-59, была изготовлена и поступила на полигонные испытания. Конструкция С-59 в целом была аналогична С-51, но базировалась на шасси танка ИС-85. При проведении испытаний на АНИОПе были выявлены те же недостатки, что и при испытаниях С-51. И не мудрено — несмотря на уже имевшийся отрицательный опыт, установку опять не снабдили сошником! И это при том, что отдача при стрельбе полным зарядом из 152-мм пушки была большей, чем при стрельбе из 203-мм гаубицы. Неужели артиллерийские конструкторы этого не знали? Впрочем, вскоре работы по этому типу САУ прекратили.

В июле 1944 года начальник ленинградского филиала ЦАКБ И.И. Иванов направил в техуправление НКВ аванпроект самоходной установки особой мощности — 210-мм пушки Бр-17 или 305-мм гаубицы Бр-18 на спаренных шасси танка Т-34. Поскольку филиал ЦАКБ не успел изготовить необходимый проект конструкторской документации к нужному сроку, проект сдали в архив.

В конце войны Опытный завод № 100, Уралмашзавод и артиллерийский завод № 9 в рамках темы «Медведь» разрабатывали дальнобойную скорострельную САУ, предназначавшуюся для контрбатарейной борьбы и артиллерийских налетов. Предполагалось создать двухствольную 122-мм артсистему, в которой заряжание одного ствола производилось бы за счет энергии выстрела из второго. Макет установки с 76-мм орудиями работал нормально, но конструкторы-артиллеристы почему-то не учли, что 122-мм пушки имеют раздельное заряжание. В итоге механизировать этот процесс им не удалось. В 1945 году была спроектирована САУ уже с орудиями, размещенными по бортам машины для облегчения ручного заряжания. Годом позже изготовили ее деревянную модель, но в металле самоходка выполнена не была.

Берлин капитулировал! ИСУ-152 и немецкие военнопленные на улицах города. Май 1945 года.

Самоходно-артиллерийские установки ИСУ-122 и ИСУ-152 состояли на вооружении Советской Армии и в послевоенные годы. И те и другие модернизировались. Так, например, с 1958 года штатные радиостанции и ТПУ на ИСУ-122 заменялись на радиостанции «Гранат» и ТПУ Р-120.

После того как в качестве стандартной САУ в конце 1950-х годов была принята ИСУ-152, самоходные установки ИСУ-122 начали разоружать и переоборудовать в тягачи. Тягач ИСУ-Т представлял собой обычную самоходку с демонтированной пушкой и заваренной амбразурой.

Тяжелые САУ ИСУ-122 и ИСУ-122С (для единообразия у последних свинчены дульные тормоза) на улице Горького перед Парадом Победы. Москва, 24 июня 1945 года.

ИСУ-152 на Красной площади. Парад Победы, 24 июня 1945 года.

Колонна ИСУ-152 на улице Горького перед парадом в честь первого празднования Дня танкиста. Москва, 8 сентября 1946 года.

Самоходное орудие ИСУ-122С преодолевает эскарп во время учебных занятий в одной из частей Северной группы войск. Польша, 1947 год.

ИСУ-152 в парадном строю проходят по Крещатику. Киев, 7 ноября 1945 года.

Самоходная установка ИСУ-152 по пути на Красную площадь. Москва, 7 ноября 1950 года.

16 ноября 1962 года на вооружение приняли тяжелый эвакуационный тягач БТТ. Он существовал в двух модификациях — БТТ-1 и БТТ-1Т. Корпус машины БТТ-1 подвергся изменениям, главным образом, в лобовой части. К нижнему лобовому листу приварили два коробчатых демпферных упора для толкания танков с помощью бревна. Была изменена и крыша рубки, к которой приварили балку с подкосами для увеличения жесткости. В машинном отделении, расположенном в средней части корпуса, разместили лебедку (тяговое усилие 25 тс, рабочая длина троса 200 м) с механизмом отбора мощности от двигателя. Управление лебедкой осуществлялось механиком-водителем из машинного отделения, в котором для этой цели имелись второе сиденье и два рычага управления. В кормовой части машины располагалось сошниковое устройство для упора в грунт. На тягаче устанавливалась разборная кран-стрела грузоподъемностью 3 т с ручным приводом. На крыше силового отделения находилась грузовая платформа, рассчитанная на перевозку до 3 т груза. Буксирное устройство тягача было оборудовано подрессориванием с двусторонней амортизацией и жесткой сцепкой. На машине устанавливался двигатель В-54-ИСТ. Его особенностью был коленчатый вал, заимствованный у двигателя В-12-5. Для движения ночью механик-водитель располагал ночным прибором БВН. Масса тягача составляла 46 т. Экипаж включал двух человек. На тягаче БТТ-1Т вместо тяговой лебедки укладывался табельный или модернизированный комплект такелажного оборудования, рассчитанный на тяговое усилие 15 тс.

Самоходные установки ИСУ-122 и ИСУ-152 состояли на вооружении Войска Польского до начала 1960-х годов.

ИСУ-122С в одном из парков Войска Польского. 1960-е годы.

Захваченная повстанцами самоходная установка ИСУ-152К и такая же установка, подбитая и сгоревшая на одной из улиц Будапешта. Венгрия, 1956 год.

Помимо Советской Армии, тягачи БТТ-1 состояли на вооружении и за рубежом, в частности, в Египте. Несколько таких машин было захвачено Израилем в ходе войн 1967 и 1973 годов.

Что же касается ИСУ-152, то эти машины находились на вооружении Советской Армии до 1970-х годов, вплоть до начала поступления в войска САУ нового поколения. При этом ИСУ-152 дважды модернизировалась. Первый раз в 1956 году, когда САУ получила обозначение ИСУ-152К. На крыше рубки установили командирскую башенку с прибором ТПКУ и семью смотровыми блоками ТНП; боекомплект гаубицы-пушки MЛ-20C увеличили до 30 выстрелов, что потребовало изменения расположения внутреннего оборудования боевого отделения и дополнительных боеукладок; вместо прицела СТ-10 был установлен усовершенствованный телескопический прицел ПС-10.

Самоходная установка ИСУ- 152К в экспозиции музея Великой Отечественной войны в Москве.

Самоходная установка ИСУ-152 во время парада в Кубинке. 2001 год.

На всех машинах смонтировали зенитный пулемет ДШКМ с боекомплектом 300 патронов. На САУ поставили двигатель В-54К мощностью 520 л.с. с эжекционной системой охлаждения. Емкость топливных баков увеличили до 1280 л. Была усовершенствована система смазки, конструкция радиаторов стала другой. В связи с эжекционной системой охлаждения двигателя изменили и крепление наружных топливных баков. Машины оборудовались радиостанциями 10-РТ и ТПУ-47. Масса самоходки возросла до 47,2 т, однако динамические характеристики остались прежними. Запас хода возрос до 360 км.

Второй вариант модернизации имел обозначение ИСУ-152М. На машину установили доработанные агрегаты танка ИС-2М, зенитный пулемет ДШКМ с боекомплектом 250 патронов и приборы ночного видения.

В ходе капитального ремонта некоторым переделкам подвергались и самоходки ИСУ-122. Так, с 1958 года штатные радиостанции и ТПУ заменялись на радиостанции «Гранат» и ТПУ Р-120.

Помимо Советской Армии, ПСУ-152 и ИСУ-122 состояли на вооружении Войска Польского. В составе 13-го и 25-го полков самоходной артиллерии они принимали участие в завершающих боях 1945 года. Вскоре после войны ПСУ-152 получила и Чехословацкая Народная Армия. В начале 1960-х один полк армии Египта также имел на вооружении ПСУ-152. В 1973 году они использовались в качестве неподвижных огневых точек на берегу Суэцкого канала и вели огонь по позициям израильских войск.

Более 800 000 книг и аудиокниг! 📚

Получи 2 месяца Литрес Подписки в подарок и наслаждайся неограниченным чтением

ПОЛУЧИТЬ ПОДАРОК