Описание конструкции танка ПТ-76

Плавающий танк ПТ-76 — боевая бронированная машина легкого типа, имеющая классическую компоновку с кормовым расположением двигателя и трансмиссии. Внутри корпус танка разделен на три отделения: управления, боевое и силовое. Отделение управления расположено в носовой части корпуса. В нем размещены: рычаги и педали управления, привод управления волноотражательным щитком, контрольно-измерительные приборы, курсоуказатель (гирополукомпас ГПК-48, у ПТ-76Б — ГПК-59), приборы наблюдения механика-водителя, аппарат № 3 танкового переговорного устройства, две аккумуляторные батареи, баллон со сжатым воздухом, кран-редуктор с манометром системы воздухопуска двигателя, два баллона и автомат системы противопожарного оборудования, ручной топливоподкачивающий насос, выключатель аккумуляторных батарей, реле стартера, сиденье механика-водителя и часть ЗИП.

Танк ПТ-76 выпуска 1954 года с частично выполненной модернизацией 1956–1964 гг.

Боевое отделение расположено в средней части корпуса танка и в башне. В башне размещены: пушка, спаренный пулемет, автомат Калашникова, прицельные приспособления, приборы наблюдения, часть боекомплекта, механизмы и электроаппаратура поворота башни, радиостанция, сигнальный пульт, вентилятор. Кроме того, в боевом отделении находятся: сиденье заряжающего (справа от пушки), сиденье командира (слева от пушки), ручной водооткачивающий насос (на танках без электрического насоса), вращающийся полик с частью боекомплекта и ВКУ, один или два ручных огнетушителя и часть ЗИП. По днищу боевого отделения проходят торсионные валы и тяги приводов управления.

Силовое отделение расположено в кормовой части корпуса танка и отделено перегородкой от боевого отделения. В силовом отделении размещены: двигатель, главный фрикцион, коробка передач, бортовые фрикционы, тормоза, внутренние редукторы, бортовые передачи, водометные движители, два топливных бака, масляный бак, масляный и водяной радиаторы, расширительный бачок, воздухоочиститель, эжектор системы охлаждения, форсуночный подогреватель, маслозакачивающий насос, механизм защиты двигателя от попадания воды, водооткачивающие насосы и оборудование системы дымопуска. По днищу силового отделения также проходят торсионные валы и тяги приводов управления.

КОРПУС танка представляет собой жесткую конструкцию, сваренную из броневых листов. Он состоит из носовой части, бортов, кормовой части, днища, крыши и перегородки силового отделения.

Общий вид корпуса:

1 — верхний носовой лист; 2 — подбашенный лист; 3 — основание люка механика-водителя; 4 — горизонтальный лист подкрылка; 5 — стойка для крепления рымов буксирных тросов; 6 — пробка лючка для выпуска продуктов сгорания из котла подогревателя; 7 — пробка лючка для заправки топливом малого бака; 8 — пробка лючка для заправки топливом большого бака; 9 — пробка лючка для заправки масляного бака; 10 — кронштейн крепления дополнительного топливного бака; 11- крышка люка над топливными баками; 12 — задние боковые листы крыши; 13 — крышка люка над двигателем; 14 — задний лист крыши; 15 — крышка люка над силовой передачей; 16 — решетка с сеткой; 17 — пробка лючка для заправки смазки в бортовую передачу; 18 — задний верхний бортовой лист; 19 — вырез для выхода воды; 20 — средний верхний бортовой лист; 21 — нижний бортовой лист; 22 — пробка лючка для заправки системы охлаждения; 23 — решетка для укладки буя; 24 — крюк для буксировки танка на плаву; 25 — передний бортовой лист; 26 — нижний носовой лист; 27 — буксирные крюки; 28 — волноотражательный щит; 29 — кронштейн фары ночного видения; 30 — защитный колпак водоотливной трубы.

Днище корпуса:

1 — нижний кормовой лист; 2 — пробка лючка для слива масла из внутреннего редуктора; 3 — пробка лючка для слива масла из коробки передач; 4 — верхний кормовой лист; 5 — упор, ограничивающий открывание заслонки; 6 — ограничитель; 7 — отверстие для установки трубы водометного движителя; 8 — пробка сливного отверстия бортовой передачи; 9 — буксирные задние крюки; 10, 20 — отбойные кулаки; 11, 18 — фланцы для установки гидравлических амортизаторов; 12 — приемный люк для забора воды водометным движителем; 13 — пробка лючка для слива масла из бака; 14 — пробка лючка для слива топлива из большого бака; 15 — пробка лючка для слива топлива из малого бака; 16 — кронштейн оси балансира; 17 — кронштейн для резиновых и пружинных упоров; 19 — кронштейн кривошипа направляющего колеса; 21 — крышка люка запасного выхода; 22 — отверстие для слива охлаждающей жидкости из системы охлаждения и воды из корпуса эжектора; 23 — крышка люка под двигателем; 24 — пробка лючка для выемки шлицованного станка шестого торсиона; 25 — пробка лючка для слива масла из картера двигателя; 26 — пробка контрольного отверстия.

ПТ-76Б — экспонат Центрального музея Вооруженных Сил в Москве. На верхнем носовом листе корпуса установлены (слева — направо): фара ФГ-125 с инфракрасным фильтром, фара видимого света ФГ-127 со светомаскировочной насадкой и сигнал. Установленный на башне ИК-прожектор ОУ-3 — музейная самодеятельность, на его месте должна быть поворотная фара ФГ-126.

Носовая часть корпуса состоит из верхнего и нижнего наклонных броневых листов, сваренных между собой, с бортовыми листами, подбашенным листом и днищем. По месту стыка верхнего и нижнего носовых листов при помощи четырех петель укреплен волноотражательный щит, который поднимается в рабочее положение с помощью ручного привода изнутри танка, с места механика-водителя. К верхнему носовому листу приварены бонки и стойки для крепления фар (у ПТ-76 ранних выпусков одной — ФГ-10, поздних выпусков двух — фары видимого света со светомаскировочной насадкой ФГ-102 и фары ФГ-100 с ИК-фильтром, у ПТ-76Б, соответственно, ФГ-127 и ФГ-125), сигнала и стойка для крепления двух рымов буксирных тросов.

По оси корпуса на верхнем носовом листе сделан вырез, в который вварено основание люка механика-водителя. Люк закрывается крышкой, которая в закрытом положении опирается на резиновое кольцо. При открывании крышка приподнимается вверх при помощи пружинного механизма, а затем сдвигается вправо. Для наблюдения из танка при закрытом люке механика-водителя установлены три призменных прибора ТНП. Для наблюдения при движении танка на плаву с поднятым волноотражательным щитком служат приборы ТНП-370, а на танках ранних выпусков — ПЕР-17 и ПЕР-17А. Для наблюдения за дорогой и местностью при ночном вождении танка имеется прибор ТВН-2Б. При необходимости на люк механика-водителя устанавливается специальный защитный колпак, переднее смотровое стекло которого снабжено стеклоочистителем с ручным приводом и в зимнее время обогревается.

Борта корпуса вертикальные, состоят из нижних и верхних листов. Нижние бортовые листы изготовлены из цельной полосы, верхние — сварные. Вместе с листами, расположенными над гусеницами, они образуют так называемые подкрылки.

К нижним бортовым листам приварены кронштейны кривошипов направляющих колес, отбойные кулаки для забивания пальцев траков гусениц, по четыре кронштейна для пружинных и резиновых упоров балансиров опорных катков, по шесть кронштейнов осей балансиров и по два фланца для установки гидравлических амортизаторов.

Отделение управления:

1 — центральный щиток; 2 — прибор наблюдения; 3 — кувалда; 4 — спидометр; 5 — механизм открывания и закрывания люка; 6 — рукоятка привода управления волноотражательным щитком; 7 — аккумуляторная батарея; 8 — бачок для питьевой воды; 9 — ящик приборов наблюдения; 10 — реле стартера; 11 — выключатель аккумуляторных батарей; 12 — аккумуляторная рама; 13 — ручной топливоподкачивающий насос; 14 — кулиса; 15, 21 — рычаги управления заслонками водометного движителя; 16, 20 — рычаги управления бортовыми фрикционами и тормозами; 17 — педаль подачи топлива; 18 — сиденье механика-водителя; 19 — педаль главного фрикциона; 22 — рычаг управления муфтой внутреннего редуктора; 23 — ящик для инструмента; 24 — ящик для гранат; 25 — рычаг управления приводом дроссельной заслонки эжектора; 26 — баллон /7/70; 27 — шприц-пресс; 28 — преобразователь гирополукомпаса; 29 — автомат /7/70, 30 — блок питания ТВН-2Б; 31 — баллон со сжатым воздухом; 32 — распределительный щиток; 33 — защитный колпак механика-водителя; 34 — ящик ЗИП электрооборудования; 35 — гирополукомпас; 36 — ключ для натяжения гусениц.

Боевое отделение (вид с кормы):

1 — механизм поворота башни; 2 — электродвигатель поворота башни; 3 — контроллер; 4 — сигнальный пульт; 5 — прибор наблюдения ТПКУ-2; 6 — прибор наблюдения ТИП; 7 — прицел TШK-66; 8 — освещение уровня; 9 — стопор крышки люка башни; 10 — реле электроспуска пушки; 11 — пушка; 12, 18 — укладка патронных коробок; 13 — прибор наблюдения МК-4; 14 — пулемет СГМТ; 15 — реле электроспуска пулемета; 16 — рукоятка привода поворотной фары; 17 — стопор башни; 19 — сиденье заряжающего; 20 — укладочный ящик ТВН-2Б; 21 — боеукпадка; 22 — вращающийся пол и к; 23 — сиденье командира танка; 24 — подъемный механизм пушки; 25 — кнопка электроспуска пушки; 26 — радиостанция; 27 — блок настройки антенны; 28 — аппарат ТПУ А-1; 29 — кнопка электроспуска пулемета.

Частично модернизированный ПТ-76 выпуска 1954 года на тактических занятиях. Обращает на себя внимание щелевой дульный тормоз пушки Д-56Т.

К задней части нижних бортовых листов приварены картеры бортовых передач. К нижним кромкам верхних бортовых листов приварены надгусеничные полки, к которым прикреплены планками и болтами резиновые козырьки, защищающие корпус и башню от забрызгивания грязью во время движения танка. Днище корпуса состоит из двух продольных сваренных между собой листов. Жесткость днища обеспечивается наличием продольных и поперечных ребер и зигов. Отверстия, расположенные в днище, закрываются крышками и пробками, под которые ставятся резиновые прокладки. В целях предотвращения попадания воды внутрь танка в случае ослабления резьбы пробок над ними поставлены предохранительные клапаны. Во избежание утери пробки крепятся к днищу с помощью тросиков. В днище корпуса, слева от сиденья механика-водителя, расположен люк запасного выхода.

Крыша корпуса состоит из подбашенного листа, правого и левого задних боковых листов и заднего листа, сваренных между собой и с бортами. В средней части подбашенного листа сделан большой круглый вырез для установки погона башни. Люк над двигателем, закрываемый крышкой, предназначен для доступа к топливному насосу, фильтрам, генератору, стартеру, к клапанам механизма защиты двигателя от попадания воды, расширительному бачку системы охлаждения и к другим узлам двигателя, а также для выемки масляного бака.

ПТ-76Б одного из подразделений морской пехоты Краснознаменного Черноморского флота. 1975 год. У танка поднят волноотражательный щиток и установлен прибор наблюдения механика-водителя ТНП-370.

Танк ПТ-76Б из состава разведывательного взвода 3-го танкового батальона финской армии. 1989 год.

На задних боковых листах имеются отверстия, в которые выведены трубки для слива воды, откачиваемой из корпуса водооткачивающими насосами. Ко всем крышкам по периметру приварена проволока, которая при затяжке крепежных болтов вдавливается в резиновые прокладки, обеспечивая герметичность корпуса.

БАШНЯ танка ПТ-76 имеет форму усеченного конуса и сварена из листовой брони. Она установлена на подбашенном листе корпуса на шариковой опоре. Внутри к нижней части башни приварено кольцо с отверстиями для крепления погона. В переднем листе башни имеются прямоугольная амбразура для установки пушки и отверстия для болтов крепления рамки пушки. В рамке есть щеки с отверстиями под цапфы, на которых крепится пушка.

Танки готовятся покинуть десантный корабль. Краснознаменный Черноморский флот, 1966 год. Машины морской пехоты оснащались снаряжением, специфичным только для этого рода войск. Кроме аварийного буя (в сетке сразу за башней) на крыше МТО крепился спасательный круг. На вытяжной вентилятор башни ставилась воздухоотводящая труба, к которой крепился ходовой огонь.

Башня танка ПТ-76Б:

1 — крышка люка башни; 2 — командирская башенка; 3 — поручень; 4 — колпак вентилятора; 5 — стакан антенного основания; 6 — крюк для подъема башни; 7 — рамка пушки; 8 — амбразура; 9 — кронштейн фары; 10 — наружная часть установки призменного перископического прибора заряжающего.

Бронирование амбразуры осуществляется при помощи броневой маски кожухом, которая качается вместе с пушкой.

С левой стороны от амбразуры пушки в рамке имеется отверстие для прицела, защищенное бронировкой, с правой стороны — амбразура для пулемета. С левой стороны башни вварен бронированный стакан для установки антенного основания.

В кормовой части башни вварен бронированный колпак вентилятора. Слева от него просверлено сквозное отверстие под проводку к аппарату ТПУ командира десанта.

Снаружи к броневым листам башни приварены четыре крюка, предназначенных для захвата башни тросами при ее снятии и установке. В крыше башни сделан овальный люк, закрываемый крышкой. На крышке люка на шариковой опоре смонтирована вращающаяся командирская башенка, в которой размещены два прибора наблюдения ТНП и прибор наблюдения ТПКУ-1 (на танках ПТ-76 поздних выпусков и на ПТ-76Б — ТПКУ-2) с пятикратным увеличением. Впереди справа от люка имеется отверстие для установки прибора наблюдения МК-4 заряжающего. С внутренней стороны к крыше башни приварен горизонтальный поручень для создания удобства работы командиру танка.

Шариковая опора башни представляет собой радиально-упорный шарикоподшипник, обоймами которого являются погоны башни. Вращение башни осуществляется вручную или с помощью электропривода ЭПБ-4. Максимальная скорость вращения башни электроприводом 17о/с.

ВООРУЖЕНИЕ. На танках ПТ-76 ранних выпусков (до 1955 года) установлена 76-мм пушка Д-56Т. Ствол орудия состоит из трубы-моноблока, казенника, муфты, накладки, обоймы, ресивера и щелевого дульного тормоза реактивного типа. Затвор пушки клиновой, с опускающимся вниз клином и полуавтоматикой механического (копирного) типа. Люлька литая, обойменного типа.

76-мм пушка Д-56ТМ (вид сверху):

1 — ствол; 2 — щека рамки; 3 — броневая защита пулемета; 4 — пулемет СГМТ; 5 — магазин-коробка; 6 — рукоятка клина затвора; 7 — тормоз отката; 8 — накатник; 9 — электромагнит ЭМ-1; 10 — прицел TШK-66; 11 — левая цапфа пушки; 12 — рамка; 13 — кожух; 14 — броневая маска; 15 — компенсирующий механизм; 16 — гильзоулавливатель; 17 — подъемный механизм; 18 — эжектор.

76-мм пушка Д-56ТС (вид сбоку):

1 — ствол; 2 — эжектор; 3 — гироблок; 4 — подъемный механизм; 5 — прибор автоблокировки; 6 — исполнительный цилиндр; 7 — ограждение пушки; 8 — гильзоулавливатель.

В башне танка люлька устанавливается на цапфах, которые входят в ее цапфенные гнезда. Противооткатные устройства состоят из гидравлического тормоза отката и накатников гидропневматического и веретенного типа. Штоки тормоза и накатника закреплены в приливе люльки, а их цилиндры — в обойме ствола и при выстреле откатываются вместе с ним.

Спусковой механизм состоит из электрического и механического (ручного) спусков. Рычаг электроспуска расположен на рукоятке маховика подъемного механизма, а рычаг ручного спуска — на щите ограждения.

Подъемный механизм секторного типа со сдающим звеном устанавливается слева от пушки.

Ограждение пушки выполнено из двух щитов, укрепленных на люльке с правой и левой стороны, и гильзоулавливателя, который может откидываться вниз и в этом положении стопориться.

Для крепления пушки в походном положении внутри башни (вверху над пушкой) установлен стопор.

Начальная скорость бронебойно-трассирующего снаряда массой 6,5 кг — 655 м/с, осколочно-фугасного массой 6,2 кг — 680 м/с. Наибольшая прицельная дальность стрельбы при использовании телескопического прицела — 4000 м, бокового уровня — 12 000 м. Дальность прямого выстрела по цели высотой 2 м при стрельбе бронебойно-трассирующим снарядом составляет 780 м, осколочно-фугасной гранатой — 820 м, подкалиберным бронебойно-трассирующим снарядом — 1060 м и кумулятивным снарядом — 630 м. Угол возвышения пушки — 30°, склонения — 4°. Предельная длина отката — 550 мм. Прицельная скорострельность — 7 выстр./мин. Масса качающейся части пушки без бронировки — 1150 кг.

Вид на казенную часть пушки Д-56ТС через открытый башенный люк.

Плавающий танк ПТ-76Б на боевой позиции. Учения «Днепр», сентябрь 1967 года.

На танках ПТ-76, выпущенных после 1955 года, установлена 76-мм пушка Д-56ТМ (2А16), которая отличается от пушки Д-56Т наличием двухкамерного дульного тормоза, эжекционного устройства для продувки канала ствола и конструкцией крышек цилиндров противооткатных устройств.

Танки ПТ-76Б вооружены 76-мм пушкой Д-56ТС, стабилизированной в двух плоскостях наведения. От пушки Д-56ТМ она отличается, главным образом, измененной конструкцией подъемного механизма, особенностью которого является устройство, отключающее цилиндрическую шестерню от червячного колеса при переходе на стабилизированное наведение пушки, наличием узлов для крепления гироблока и исполнительного гидроцилиндра и другими более мелкими деталями.

В качестве вспомогательного вооружения на танке установлен 7,62-мм пулемет СГМТ (станковый модернизированный пулемет обр.1943 г. конструкции Горюнова, танковый), спаренный с пушкой.

Установка пулемета СГМТ, спаренного с пушкой:

1 — бронировка; 2 — щиток-отражатель; 3 — пружинный захват крышки приемника; 4 — задний ползун; 5 — гильзоулавливатель; 6 — передняя стройка; 7 — передний ползун; 8 — кронштейн.

ПТ-76Б и Т-55АМ из состава 336-й гвардейской бригады морской пехоты дважды Краснознаменного Балтийского флота. Снимки начала 1990-х годов.

Для ведения стрельбы из пушки и спаренного пулемета используются телескопический шарнирный прицел ТШК-66, боковой уровень и угломерный круг на погоне башни.

Наведение пушки на цель осуществляется вращением рукоятки маховика вертикального наведения и поворотом башни с помощью ручного или электрического привода, а при включенном стабилизаторе — с помощью пульта управления. На танке ПТ-76Б установлен стабилизатор СТП-2П «Заря», который обеспечивает: автоматическое удержание пушки и спаренного пулемета в заданном (стабилизированном) положении в вертикальной и горизонтальной плоскостях наведения при движении танка; наведение пушки и спаренного пулемета в вертикальной и горизонтальной плоскостях с плавным регулированием скоростей наведения.

Боекомплект пушки состоит из 40 унитарных выстрелов, из которых 24 с осколочно-фугасными гранатами, четыре с бронебойно-трассирующими, четыре с подкалиберными и восемь с кумулятивными снарядами. Боеприпасы размещены в двух стеллажных укладках (на 24 и 14 выстрелов) на вращающемся полу боевого отделения, причем вторая укладка соединяет своими основаниями пол и верхний погон башни. Еще два выстрела расположены в хомутиковой укладке на правом борту башни.

Патроны к спаренному пулемету СГМТ в количестве 1000 шт. снаряжаются в ленты по 250 шт. Ленты укладываются в четыре магазина-коробки.

Размещение боекомплекта в танке:

1 — укладка на 24 выстрела; 2 — магазинкоробки для спаренного пулемета; 3 — ящик с гранатами Ф-1; 4 — кобура для сигнального пистолета; 5 — сумка с патронами для сигнального пистолета; 6 — хомутиковая укладка на два выстрела; 7 — укладка на 14 выстрелов; 8 — чехол с автоматом АК-47; 9 — ящик с гранатами Ф-1; 10 — сумка с магазинами к автомату АК-47; 11 — ящик с гранатами Ф-1.

Интересно отметить следующий факт. Пушка Д-56Т создавалась с использованием баллистики 76-мм танковой пушки Ф-34 обр.1940 г., поэтому для стрельбы из нее применяются унитарные выстрелы как от пушки Ф-34, так и от дивизионных пушек обр. 1902/30 гг. и обр.1939 г. и от полковой пушки обр.1927 г.

В качестве оружия самообороны экипажа в танке имеются автомат АК-47 (позднее АКМ или АК-74) и 300 патронов к нему, 15 гранат Ф-1 и сигнальный пистолет с 20 патронами.

ДВИГАТЕЛЬ И ТРАНСМИССИЯ. На танке ПТ-76 установлен 6-цилиндровый четырехтактный бескомпрессорный рядный дизель жидкостного охлаждения В-6 (варианты В-6Г, В-6П и В-6Г). Максимальная мощность 240 л.с. при 1800 об/мин. Рабочий объем 19 100 см3. Степень сжатия 14–15. Масса двигателя со стартером и маховиком — 815 кг.

С 1960 года двигатель выпускался с обогреваемым картером, предназначенным для улучшения нагревания подшипников коленчатого вала и масла, находящегося в отстойниках нижней половины картера, перед запуском двигателя в условиях низких температур.

Топливо — дизельное, летом — марки ДЛ, зимой — ДЗ или ДА (при температуре ниже 30 °C). В систему питания двигателя танка ПТ-76 входят два топливных бака общей емкостью 250 л (большой бак емкостью 150 л, малый — 100 л). Они размещены в силовом отделении справа от двигателя. На крыше кормовой части корпуса на кронштейнах могут устанавливаться два наружных цилиндрических топливных бака емкостью по 90 л каждый. На танке ПТ-76Б введен третий внутренний топливный бак емкостью 140 л, расположенный в корме корпуса поперек силового отделения. Вместо цилиндрических установлены два наружных топливных бака прямоугольной формы емкостью 95 л каждый. Ни в том ни в другом случае наружные топливные баки не включены в систему питания, а используются для дозаправки основных топливных баков.

Система смазки — циркуляционная комбинированная. Масляный насос — шестеренчатый, трехсекционный (одна секция нагнетающая и две откачивающие). Емкость системы 45 л.

Система охлаждения — жидкостная, закрытая с принудительной циркуляцией и эжекционной вентиляцией. Радиатор пластинчато-трубчатый, установлен в силовом отделении слева от двигателя над эжектором, к которому крепится лентами. Эжектор — с индивидуальным подводом пульсирующего потока выпускных газов от каждого цилиндра. В систему подогрева двигателя входит форсуночный подогреватель с жаротрубным котлом.

ПТ-76 финской армии. 1964 год. Заслонка левого водомета открыта. На штатных местах установки топливных баков смонтированы баки другого типа с маслом и антифризом. Судя по всему, какая-то финская самодеятельность.

Для очистки воздуха, поступавшего в цилиндры двигателя, на танках выпуска до 1961 года устанавливается трехступенчатый воздухоочиститель, а с 1961 года — двухступенчатый, комбинированного типа с эжекционным отсосом пыли из пылесборника.

Пуск двигателя осуществляется электростартером СТ-713 мощностью 15 л.с. или сжатым воздухом.

Двигатель оснащен рычажно-клапанным механизмом защиты от попадания воды с ручным и автоматическим приводами управления.

Механическая трансмиссия состоит из двухдискового главного фрикциона сухого трения (сталь по ферродо), коробки передач, двух бортовых фрикционов с тормозами, двух внутренних редукторов с приводами на водометные движители и двух бортовых передач.

Коробка передач механическая пятискоростная (5+1)с постоянным зацеплением шестерен. Бортовые фрикционы многодисковые, сухие (сталь по стали); тормоза плавающие, ленточные с чугунными колодками.

Внутренние редукторы шестеренчатые, предназначены для передачи крутящего момента от бортовых фрикционов к водяным насосам водометных движителей и к бортовым передачам. При этом они позволяют производить как раздельное, так и одновременное включение гусеничных и водометных движителей. Кроме того, от внутренних редукторов осуществляется привод к механическим водооткачивающим насосам. Внутренние редукторы (правый и левый) расположены между бортовыми фрикционами и бортовыми передачами.

Бортовые передачи шестеренчатые одноступенчатые.

ХОДОВАЯ ЧАСТЬ танка применительно к одному борту состоит из шести пустотелых штампованных обрезиненных опорных катков диаметром 670 мм. Подвеска индивидуальная торсионная с гидравлическими амортизаторами на 1-м и 6-м катках. Ведущие колеса заднего расположения — литые с двумя зубчатыми венцами по 13 зубьев в каждом. Направляющее колесо — пустотелое с металлическим ободом. Гусеницы металлические мелкозвенчатые цевочного зацепления. В каждой гусенице 96 траков шириной 360 мм, шаг траков в гусенице 128 мм.

Подвеска (с правого борта танка):

1 — балансир; 2 — боек; 3 — кронштейн; 4 — спиральная пружина; 5 — винт; 6 — торсионный вал; 7 — вкладыш; 8 — кронштейн оси балансира; 9 — кронштейн; 10 — буфер; 11 — винт; 12 — прокладка; 13 — захват; 14 — шайба; 15 — болт; 16 — пружинное кольцо; 17 — крышка; 18 — прокладка; 19 — кольцо лабиринта; 20 — сальниковое уплотнение; 21 — большая втулка; 22 — малая втулка; 23 — тяга амортизатора.

На плаву ПТ-76 из состава разведывательного взвода 3-го танкового батальона финской армии. Весна 1980 года.

ВОДОМЕТНЫЕ ДВИЖИТЕЛИ. В силовом отделении танка вдоль бортов корпуса установлены два водометных движителя реактивного действия. Каждый водометный движитель состоит из приемного патрубка, водяного насоса пропеллерного типа, водопроточной трубы, кормовых патрубков, заслонки, карданного вала и трубы заднего хода.

Забор воды производится через входные окна, расположенные на днище корпуса. Окна экранированы защитными решетками. Перемычки решеток имеют обтекаемую форму для уменьшения сопротивления воды, поступающей к насосу. Насос выполнен одноступенчатым с 5-лопастным рабочим колесом диаметром 340 мм. За ним установлен направляющий аппарат. Последний представляет собой профилированные направляющие лопатки, служащие для выпрямления вращающегося потока воды с целью уменьшения потерь на трение.

Водометный движитель:

1 — корпус водяного насоса; 2 — трубка для заправки смазки; 3 — водопроточная труба; 4 — внутренний редуктор; 5 — сопловый патрубок; 6 — корпус привода к заслонке; 7 — кормовой патрубок; 8 — заслонка; 9 — труба заднего хода; 10 — броневая перегородка; 11 — картер привода; 12 — лопатки направляющего аппарата; 13 — рабочее колесо; 14 — решетка; 15 — карданный вал; 16 — постамент; 17 — приемный патрубок.

Водометы существенно облегчали выход танка из воды на берег.

Водопроточная труба имеет переменное сечение: на входе 350 мм, а на выходе — 235 мм. На выходе к трубе прикреплен кормовой патрубок, представляющий собой цилиндр с боковым отверстием. По периметру последнего приварена труба, предназначенная для осуществления на плаву движения задним ходом; другим концом труба вварена в верхний бортовой лист корпуса танка, имеющий окно с броневыми перегородками. Заслонки установлены снаружи вертикального кормового листа корпуса танка. Управление ими осуществляется с места механика-водителя.

Водометный движитель включается и выключается также с места механика-водителя с помощью рычагов управления внутренними редукторами.

При включении водометного движителя вращение от ведущего вала внутреннего редуктора передается на рабочее колесо водяного насоса. Вода, засасываемая насосами, проходит через направляющие аппараты, водопроточные трубы и при открытых кормовых патрубках с большой скоростью выбрасывается за корму танка, создавая при этом реактивный напор (силу тяги), под действием которого танк движется вперед.

При закрытых кормовых патрубках вода перепускается через трубы заднего хода и выбрасывается в сторону носовой части танка под небольшим углом к его продольной оси; машина при этом движется кормой вперед. Прикрытие заслонкой одного кормового патрубка вызывает поворот танка. Полностью закрытому патрубку соответствует наименьший радиус поворота.

Тактико-технические характеристики плавающих танков

ЭЛЕКТРООБОРУДОВАНИЕ выполнено по однопроводной схеме (за исключением дежурного освещения). Напряжение 24 В. Источники: генератор Г-731 мощностью 1,5 кВт, две аккумуляторные батареи 6-СТЭН-140М емкостью 140 А. ч каждая. Потребители: электростартер СТ-713, электродвигатели — поворота башни, вентилятора боевого отделения, маслозакачивающего насоса, водооткачивающего насоса и насоса системы дымопуска, фары, звуковой сигнал, контрольно-измерительные приборы, радиостанция, ТПУ.

СРЕДСТВА СВЯЗИ. На ПТ-76 ранних выпусков установлены приемо-передающая симплексная телефонно-телеграфная радиостанция 10-РТ-26Э и внутреннее переговорное устройство ТПУ-47. В конце 1950-х годов они заменены на приемо-передающую телефонную радиостанцию с частотной модуляцией Р-113 и переговорное устройство Р-120.

Радиус действия радиостанции Р-113 при радиосвязи с однотипной радиостанцией в условиях среднепересеченной местности при работе на 4-м штыревую антенну: при выключенном подавителе шумов и отсутствии посторонних радиопомех — не менее 20 км; при включенном подавителе шумов — до 10 км; при наличии посторонних помех радиоприему — 8—12 км.

В ходе капитального ремонта танков с конца 1960-х годов устанавливаются радиостанция Р-123 и переговорное устройство ТПУ-124.

На корме башни снаружи укреплено переговорное устройство для командира десанта.

ПРОТИВОПОЖАРНОЕ ОБОРУДОВАНИЕ. На танке ПТ-76 смонтирована противопожарная автоматическая углекислотная установка, два баллона которой содержат углекислый газ, заполняющий при пожаре пространство внутри танка. Четыре термозамыкателя расположены в силовом отделении.

На танке ПТ-76Б применена унифицированная противопожарная система УА ППО, в которой также используется углекислый газ. Противопожарная система может работать автоматически и полуавтоматически. При автоматической работе система обеспечивает: сигнализацию о пожаре в силовом отделении и остановку двигателя танка; остановку электродвигателей вентилятора и нагнетателя на время тушения пожара; последующий пуск их после ликвидации пожара для удаления продуктов горения и углекислого газа; срабатывание и подачу углекислоты из первого баллона и ввод второго баллона в том случае, если первого оказалось недостаточно или он оказался неисправным; задержку подачи углекислоты в силовое отделение на 4–7 с, необходимую для остановки двигателя. При полуавтоматической работе система обеспечивает только сигнализацию о пожаре. Дальнейшая ее работа происходит только после нажатия механиком-водителем соответствующей кнопки.

Помимо вышеописанной системы на танке имеется один или два ручных огнетушителя.

СИСТЕМА ДЫМОПУСКА. На танке установлена термоконденсационная дымовая аппаратура (ТДА) многократного действия. В качестве дымообразующего вещества используется дизельное топливо. Непросматриваемая длина дымовой завесы 300–400 м. Стойкость дымовой завесы — до 2 мин., продолжительность одного дымопуска до 10 мин. Расход дизельного топлива составляет 4,7–5,2 л/мин.

ВОДООТКАЧИВАЮЩИЕ СРЕДСТВА: три насоса (два механических и один электрический или ручной) с трубопроводами, приемными фильтрами и клапанами.

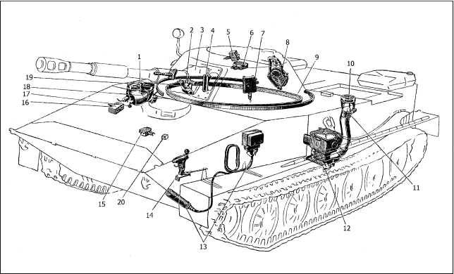
СИСТЕМА ПАЗ. Система противоатомной защиты предназначена для защиты экипажа и оборудования внутри танка от воздействия ударной волны ядерного взрыва, а также от проникновения в него радиоактивной пыли при движении по зараженной местности.

Схема размещения узлов и механизмов системы ПАЗ:

1 — труба выброса отсепарированной пыли; 2 — автоматический стопор башни; 3 — уплотнение амбразуры пушки; 4 — уплотнение амбразуры прицела; 5 — коробка управления стабилизатором; 6 — релейная коробка КРП-1; 7 — радиометрический блок защиты РБЗ-1М; 8 — механизм закрывания окна вентилятора; 9 — уплотнение погона башни; 10 — люк индивидуального воздухопритока двигателя; 11 — механизм закрывания люка воздухопритока двигателя; 12 — сектор привода подвижного уплотнения воздухоочистителя; 13 — рентгенометр ДП-ЗБ; 14 — механизм остановки двигателя; 15 — релейная коробка КРПГ-21; 16 — коробка управления нагнетателем; 17 — механизм закрывания патрубка нагнетателя; 18 — нагнетатель; 19 — люк забора воздуха нагнетателя; 20 — клеммная коробка с диодом Д7Ж (разделительный диод установлен для предотвращения срабатывания системы ПАЗ при срабатывании системы УА ППО).

При ядерном взрыве под воздействием излучения срабатывает радиометрический блок защиты РБЗ-1М, установленный на стенке башни слева от командира. Ионизационная камера блока начинает пропускать электрический ток, от которого срабатывают электрозапалы пиропатронов системы ПАЗ. В результате взрывов пиропатронов срабатывают механизмы закрывающие входное окно вентилятора башни, люк индивидуального воздухопритока двигателя и клапан воздухоподводящего патрубка нагнетателя, при этом тяга привода топливного насоса разъединяется (срабатывает МОД — механизм остановки двигателя). От взрыва пиропатрона срабатывает и механизм, ставящий башню танка на стопор. Кроме того, в результате размыкания контактов прерывается подача напряжения в электродвигатели вентилятора и нагнетателя, и они останавливаются.

Дезактивация и дегазация боевых машин во время учений. 1966 год.

Для приведения в готовность к повторному действию систему необходимо разблокировать, выключив для этого батареи, затем установить новые пиропатроны в соответствующие исполнительные механизмы, соединить тягу привода топливного насоса, снять башню с автоматического стопора и включить батареи. После этого система ПАЗ снова готова к работе.

Защита экипажа танка от воздействия радиоактивной пыли осуществляется созданием в боевом отделении избыточного давления, которое исключает попадание в него запыленного воздуха через отдельные неплотности. Избыточное давление создается нагнетателем.

Более 800 000 книг и аудиокниг! 📚

Получи 2 месяца Литрес Подписки в подарок и наслаждайся неограниченным чтением

ПОЛУЧИТЬ ПОДАРОК