Описание конструкции

КОМПОНОВКА танка классическая с кормовым расположением трансмиссии.

Отделение управления занимало переднюю часть машины. В нем находились сиденье водителя, органы управления, щитки контрольных приборов, две шестивольтовые аккумуляторные батареи, розетка для запуска двигателя и подзарядки аккумуляторов от внешнего источника тока, звонок для сигнализации водителю с кормы танка, ТПУ, приборы внутреннего освещения.

Боевое отделение находилось в средней части танка. Над ним на шариковой опоре размещалась башня, к которой крепился вращающийся вместе с ней пол с боекомплектом и сиденьями членов экипажа. В передней части башни, в маске, устанавливалось вооружение; в задней ее части, в нише, располагалась радиостанция и имелось отверстие для воздухопритока. В центре боевого отделения под полом башни помещалось ВКУ.

В моторном отделении находился двигатель с агрегатами питания, смазки, охлаждения и электрооборудования. Слева от двигателя размещались основной топливный бак и топливный бак постоянного давления, справа — масляный фильтр и две аккумуляторные батареи.

В отделении трансмиссии устанавливались заливной бак системы охлаждения, два радиатора, главный фрикцион, коробка передач, два бортовых фрикциона и масляный бак.

Главной особенностью конструкции КОРПУСА и БАШНИ являлось отсутствие каркасов для их сборки. Броневые плиты обрабатывались по соответствующим шаблонам так, что они взаимно замыкались при сборке. Затем осуществлялось их крепление друг к другу с помощью болтов, заклепок и шпонок. Допуски при пригонке различных деталей не превышали 0,01 дюйма (0,254 мм). На танках ранних выпусков борта башни были составными, затем их заменили литой кольцевой деталью.

Для посадки механика-водителя в крыше отделения управления имелись два люка, крышки которых автоматически запирались изнутри защелками. Открывание люков облегчало использование торсионно-пружинного механизма. В открытом положении крышки люков фиксировались задвижками. Под сиденьем водителя, в днище корпуса, размещался люк-лаз для аварийного выхода экипажа из танка.

В середине лобового броневого листа располагался смотровой люк водителя, а по бокам два перископических прибора наблюдения Mk IV.

В крыше башни танков Valentine I, II, IV, VI и VII имелись посадочный люк с двухстворчатой крышкой, два перископа, аналогичных перископам в отделении управления, два антенных ввода (один для работы на месте, другой — при движении), штырь для зенитной установки и стрелка-указатель (напротив правого перископа) для ориентировки при стрельбе из пушки и пулемета. Два боковых лючка в башне (у Valentine I — один лючок в правом борту), закрываемые броневыми дверцами, предназначались для стрельбы из личного оружия и для флажковой сигнализации. Зеркало на левой дверце при ее открывании позволяло наблюдать за кормой и за движением машин, идущих сзади.

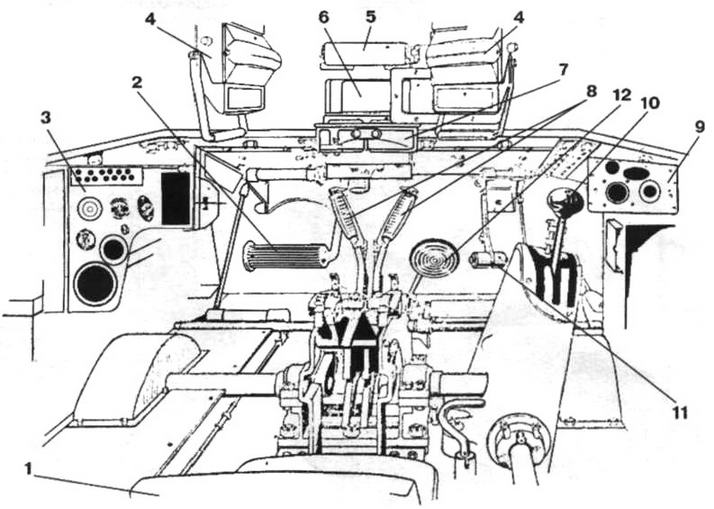
Общий вид отделения управления:

1 — сиденье механика-водителя; 2 — педаль сцепления; 3 — левый щиток контрольных приборов; 4 — перископы; 5 — налобник; 6 — смотровой люк водителя; 7 — блок смотрового люка (в опущенном положении); 8—рычаги бортовых фрикционов; 9—правый щиток контрольных приборов; 10 — рычаг переключения передач; 11 — педаль акселератора; 12 — педаль вспомогательного тормоза

В крыше башни танков Valentine III и V имелся круглый люк с вращающимся погоном и трехстворчатой крышкой. В передней откидной створке был установлен прибор наблюдения Mk IV. Второй такой прибор располагался в передней части крыши над местом заряжающего.

В крыше башни танков Valentine VIII, IX и X имелись два прямоугольных люка с двухстворчатыми крышками, три прибора наблюдения Mk IV и колпак вентилятора.

Для вращения башни на танках всех модификаций устанавливался поворотный механизм с ручным и электрическим приводом.

Крыша моторного отделения закрывалась съемными жалюзи, которые запирались замками из боевого отделения. Для облегчения доступа к агрегатам, размещенным в моторном отделении, наклонные броневые листы его были сделаны откидными и крепились на петлях. Задняя часть моторного отделения закрывалась поперечным бронелистом, в нем имелся люк для доступа к заливной горловине радиаторов.

Трансмиссионное отделение имело сверху наклонные открывающиеся жалюзи и дверцу кормового люка.

Днище корпуса было собрано из нескольких больших броневых листов. Для обслуживания танка в днище имелись соответствующие люки.

ВООРУЖЕНИЕ. На танках модификаций Valentine I — VII устанавливалась 2-фунтовая (40-мм) пушка Mk IX с длиной ствола 52 калибра.

Пушка состояла из ствола, затвора с полуавтоматикой, люльки, противооткатного устройства, спускового механизма, гильзоулавливателя и плечевого упора. Масса ствола без затвора — 130,2 кг. Нормальная длина отката — 265 мм.

Вертикальные углы наведения в пределах от+20° до—15° придавались пушке и спаренному пулемету с помощью плечевого упора, который крепился к левой щеке кронштейна гильзоулавливателя и мог регулироваться в соответствии с ростом наводчика.

На танках модификаций Valentine VIII и IX устанавливались 6-фунтовые (57-мм) пушки Mk III и Мк V, а на Valentine X- Мк V.

6-фунтовая пушка Mk III с длиной ствола 42,9 калибра была разработана на основе буксируемой противотанковой пушки Mk II. Затвор вертикально-клиновой, полуавтоматика копирного типа. Масса орудия 326,88 кг.

Вертикальное наведение в пределах от - 8° до +17° осуществлялось с помощью плечевого упора и двух «пистолетных» рукояток, на которых находились электроспуски пушки и спаренного пулемета.

6-фунтовая пушка Mk V имела длину ствола 50 калибров и большую начальную скорость снаряда. Ее наведение по вертикали производилось с помощью подъемного механизма винтового типа.

Боевые машины Valentine XI вооружались 75-мм пушкой Mk V с длиной ствола 36,5 калибра. Затвор клиновой, полуавтоматический. Скорострельность до 20 выстр./мин. Масса орудия 314 кг. Вертикальное наведение от — 12,5° до +20° с помощью подъемного механизма винтового типа. Электроспуск — ножной.

В «валентайнах» всех модификаций (за исключением VIII и IX) устанавливался спаренный (на Valentine X и XI — автономный) 7,92-мм пулемет BESA, на Valentine VII — 7,62-мм спаренный пулемет Browning М1919А4.

У части машин на специальном кронштейне на крыше башни крепилась зенитная установка Lakeman для 7,7-мм пехотного пулемета Bren.

У Valentine I — VII в башне, справа от пулемета в отдельной маске располагался 2-дюймовый (50,8-мм) миномет для стрельбы дымовыми минами (в Красной Армии для стрельбы из миномета использовались и осколочные мины от 50-мм ротного миномета советского производства). Масса миномета 7,6 кг. Максимальная дальность метания дымовой мины — 137 м, осколочной — 415 м. Вертикальный угол обстрела — от +5° до +37°; горизонтальный — 360° (задавался поворотом башни танка).

На танках вариантов VIII — XI на правом борту башни на специальном кронштейне крепились два дымовых гранатомета калибра 101,6 мм.

Схема бронирования пехотного танка «Валентайн»

Канадские пехотинцы отрабатывают в шинодействие с танками. 194.1 год. В левом борту башни танка хорошо видна крышка амбразуры для стрельбы из личного оружия

Для стрельбы из 2-фунтовой пушки и спаренного пулемета использовался телескопический прицел № 24В Mk I; для ведения огня из 6-фунтовых пушек — телескопические прицелы № 39 Mk I или № 33 Мк II; из 75-мм пушки — № 50x3L Mk I.

В боекомплект танков с 2-фунтовой пушкой входили 60 — 62 выстрела с бронебойными снарядами, 3150 патронов калибра 7,92 мм (14 лент) или 3500 патронов калибра 7,62 мм (Valentine VII), 600 патронов калибра 7,7 мм и 18 дымовых мин калибра 50,8 мм.

Боекомплект танков Valentine VIII и IX с 6-фунтовой пушкой состоял из 53 выстрелов с бронебойными снарядами и 600 патронов калибра 7,7 мм, Valentine X — из 44 выстрелов, 3150 патронов калибра 7,92 мм и 600 патронов калибра 7,7 мм.

У танка Valentine XI в боекомплект входили 46 75-мм выстрелов с бронебойными и осколочно-фугасными снарядами, 3150 патронов калибра 7,92 мм и 600 патронов калибра 7,7 мм.

ДВИГАТЕЛЬ. На танке модификации Valentine I устанавливался 6-цилиндровый четырехтактный карбюраторный рядный двигатель АЕС А189 жидкостного охлаждения мощностью 135 л.с. при 1900 об/мин.

На боевых машинах всех остальных модификаций применялись два типа силовой установки: с двигателем АЕС А190 и двигателем GMC.

Двигатель АЕС А190 — 6-цилиндровый, четырехтактный бескомпрессорный дизель с вихревой камерой сгорания «Рикардо Комета III», рядный, мощностью 131 л.с. при 1800 об/мин. Диаметр цилиндра — 120 мм. Ход поршня — 142 мм. Рабочий объем двигателя — 9650 см?. Масса сухого двигателя — 700 кг.

Топливо — дизельное. Емкость основного бака — 145 л, бака постоянного давления — 25 л.

Марка орудия Тип снаряда Масса снаряда кг Начальная скорость. м/с Толщина пробиваемой брони на дистанции 450 м при наклоне плиты 30?. мм  2pdr.MklX бронебойный 0.921 848 57  6pdr. Mk HI бронебойный 2.745 848 81  6pdr. Mk V бронебойный 2.745 898 83  75 mm Mk V бронебойный 6.791 615 68    осколочно-фугасный 6,328 615 - 

Пушки танков «Валентайн»

2 pdr. OQFMkIX

6 pdr. OQF Mk III

6 pdr. OQF Mk V

75 mm OQF Mk У

Спаренная установка 6-фунтовой пушки и пулемета BESA:

1 — амбразура для установки пулемета BESA в маске; 2 — ствол орудия; 3 — ствол пулемета; 4 — бронировка пулемета; 5 — маск-установка; 6 — телескопический прицел; 7 — подъемный механизм; 8 — плечевой упор; 9 — спусковая рукоятка пулемета BESA; 10 — спусковая рукоятка пушки; 11— гильзосборник; 12 — замок пушки; 13 — противооткатное устройство

Система смазки — комбинированная, с сухим картером. Тип масляного насоса — шестеренчатый, трехсекционный. Рабочая емкость системы смазки — 36 л.

Система охлаждения — жидкостная, принудительная, с термостатом. Два трубчатых радиатора были установлены над коробкой передач. Шарнирное крепление радиаторов давало возможность доступа к агрегатам трансмиссонного отделения. Емкость системы охлаждения — 41 л.

Запуск двигателя осуществлялся электростартером, с предварительным подогревом воздуха электроподогревательными свечами. Для облегчения запуска при низких температурах двигатель снабжался приспособлением для впрыска эфира во всасывающую трубу.

Двигатель GMC 6-71 модели 6004, 6-цилиндровый, рядный, двухтактный быстроходный дизель с нагнетателем, струйного распыления, жидкостного охлаждения, мощностью 130 л.с. при 2000 об/мин. Диаметр цилиндра — 108 мм. Ход поршня —127 мм. Рабочий объем двигателя — 6970 см?. Масса сухого двигателя — 725 кг.

Двигатель GMC 6-71: 1 — выхлопной коллектор; 2 — термостат; 3 — приводной ремень вентилятора; 4 — ведущий вал конической передачи; 5 — щуп для измерения уровня масла; 6 — коробка передач; 7 — рычаг управления главным фрикционом; 8 — масляный фильтр; 9 — генератор механизма поворота башни; 10— генератор дизеля; 11 — приводной шкив генератора; 12 — крышка люка для осмотра; 13 — распределительный механизм

Тележка подвески: 1 — балансир большого опорного катка; 2 — балансир малых опорных катков; 3 — визка бизансира малых опорных катков; 4 — гидравлический амортизатор; 5 — пружина; 6 — широкая гусеница; 7 — узкая гусеница

Топливо — дизельное. Емкость топливного бака — 165 л. Системы смазки и охлаждения аналогичны двигателю АЕС А190.

Запуск двигателя — электростартером. Для облегчения запуска при низких температурах двигатель снабжался приспособлением для подогрева воздуха, поступающего из нагнетателя.

В тех случаях, когда водитель во время движения танка выбывал из строя или возникала крайняя необходимость в немедленной остановке двигателя, командир мог прекратить подачу воздуха к двигателю нажатием электрокнопки управления аварийным выключением двигателя.

ТРАНСМИССИЯ. В зависимости от типа двигателя на танках «Валентайн» использовались два типа трансмиссий.

В трансмиссию танков с двигателями АЕС входили: однодисковый главный фрикцион сухого трения J-151, четырехходовая, пятискоростная (5+1) коробка передач Meadows type 22, коническая поперечная передача, многодисковые сухие бортовые фрикционы и двойные планетарные бортовые передачи.

Трансмиссия танков с двигателями GMC отличалась наличием сухого однодискового главного фрикциона М-6004 и механической трехходовой пятискоростной (5+1) синхронизированной коробки передач Spicer synchromech. Особенностью трансмиссии на танках с двигателями GMC было то, что двигатель, главный фрикцион, коробка передач и картер конической передачи устанавливались на общем основании как один агрегат и крепились в пяти точках.

На всех моделях «Валентайна» устанавливались тормоза колодочного типа, причем тормозные барабаны находились с внешней стороны ведущих колес.

ХОДОВАЯ ЧАСТЬ применительно к одному борту состояла из шести обрезиненных опорных катков (двух диаметром 610 мм и четырех диаметром 495 мм), ведущего колеса заднего расположения (зацепление цевочное посередине гусеницы), направляющего колеса с натяжным механизмом кривошипного типа, трех поддерживающих катков. Подвеска блокированная, балансирная со спиральной пружинной рессорой и гидравлическим амортизатором. В каждую гусеницу входило 103 литых трака шириной 356 мм, шаг трака 112 мм.

ЭЛЕКТРООБОРУДОВАНИЕ танка состояло из аккумуляторных батарей, генератора, регулятора напряжения, стартера, генератора и мотора электропривода механизма поворота башни, щитка контрольных приборов, приборов внутреннего и наружного освещения.

СРЕДСТВА СВЯЗИ. Танк оборудовался двумя типами радиостанций: №11, включавшей систему внутренней связи TANNOY и № 19 — со своей собственной системой внутренней связи. Радиостанция №19 имела радиус действия на коротких волнах 15 км (в режиме УКВ — 1,5 км).

Компоновка танка Valentine IX:

1 — 6-фунтовая пушка Mk V; 2 — приборы наблюдения; 3 — лючок для стрельбы из личного оружия; 4 — радиостанция № 19; 5 — двигатель GMC; 6 — вентилятор; 7 — радиатор; 8 — топливный бак; 9 — коробка передач; 10 — главный фрикцион; II — полик боевого отделения; 12 — сиденье механика-водителя; 13 — механизм вертикального наведения пушки

Тактико-технические характеристики танков Valentine Модификация I II III IV V VI VII VIII IX X XI Боевая масса, т 15,7 16,5 16.7 16,5 16,7 16,5 16,5 17,2 17,2 17,2 18 Экипаж, чел. 3 3 4 3 4 3 3 3 3 3 3 Габаритные размеры, мм: длина с пушкой вперед 5410 5410 5560 5410 5560 5410 5410 6325 6325 6325   ширина 2630 2630 2630 2630 2630 2630 2630 2630 2630 2630 2630 высота 2270 2270 2580 2270 2580 2270 2270 2270 2270 2270 2270 клиренс 410 410 410 410 410 410 410 410 410 410 410 Толщина брони, мм: лоб корпуса 60 60 60 60 60 60 60 60 60 60 60 борт 60 60 50 60 50 60 60 43 43 43 43 корма 60 60 60 60 60 60 60 60 60 60 60 крыша 10 10 10 10 10 10 10 10 10 10 10 днище 20 20 20 20 20 20 20 20 20 20 20 лоб башни 65 65 65 65 65 65 65 65 65 65 65 борт и корма 65 65 65 65 65 65 65 65 65 65 65 Макс, скорость движения, км/ч: по шоссе 24 24 24 24 24 24 24 24 24 24 24 по местности 18 18 18 18 18 18 18 18 18 18 18 Запас хода, км: по шоссе 112 176 176 176 176 176 176 176 225 225 225 Удельная мощность, л.с./т 7,9 7,7 7,7 8,1 7,7 8,1 8,1 7,56 7,56 7,56 9.6

Более 800 000 книг и аудиокниг! 📚

Получи 2 месяца Литрес Подписки в подарок и наслаждайся неограниченным чтением

ПОЛУЧИТЬ ПОДАРОК