Описание конструкции штурмового орудия StuG III

Штурмовое орудие StuG III имело компоновку с передним расположением боевой рубки. Внутри корпус машины делился на три отделения: управления (оно же трансмиссионное), боевое и моторное.

Отделение управления находилось в носовой части САУ. В нем размещались приводы управления, приборы, контролировавшие работу двигателя, главный фрикцион, коробка передач, планетарный механизм поворота, сиденье механика- водителя. Боевое отделение располагалось в средней части САУ. В нем размещались вооружение, боекомплект, приборы прицеливания и наблюдения, радиостанция. Здесь же находились рабочие места командира, наводчика и заряжающего. Над полом боевого отделения проходил карданный вал, закрытый кожухом. Моторное отделение находилось за боевым. В нем были установлены двигатель, масляный и топливный баки и радиаторы системы охлаждения.

КОРПУС штурмового орудия сваривался из катаных листов гетерогенной брони. Отдельные детали соединялись броневыми болтами и угольниками. На крыше моторного отделения находились четыре люка — два больших и два малых — для доступа к агрегатам силовой установки, а в днище корпуса — люки для спуска воды, бензина и масла и для доступа к двигателю и коробке передач. В верхнем лобовом листе корпуса имелись два люка для доступа к агрегатам трансмиссии, закрываемые двухстворчатыми крышками.

РУБКА сварная многогранная, соединялась с корпусом броневыми болтами. Крышка также крепилась к стенкам с помощью болтов, что облегчало ее демонтаж при необходимости замены орудия.

Для посадки экипажа в крыше рубки имелись два прямоугольных люка, закрывавшихся двухстворчатыми крышками, и лючок для вывода головки перископического прицела (у модификаций А и В головка выводилась через амбразуру в лобовом листе рубки), закрывавшийся сдвижной крышкой. Рубка модификаций Е — F, в отличие от предыдущих, не имела 9-мм броневых скосов по бортам — вместо них приваривались броневые ящики, в которых размещались радиостанция и часть боекомплекта. У модификаций F и F/8 на крыше рубки появился бронеколпак вентилятора.

StuG 40 Ausf.G выпуска 1943 года. Мамина покрыта циммеритом и оснащена противокумулятивными экранами

Схема бронирования штурмового орудия StuG III

Наиболее совершенной формой отличалась рубка варианта G, расширенная до середин надгусеничных полок. Она оснащалась командирской башенкой с толщиной броневого пояса 30 мм, а с октября 1943 года получила дополнительную бронезащиту. Конструкция командирской башенки предусматривала возможность ведения наблюдения за местностью через стереотрубу без открытия люка. По периметру башенки размещались семь перископических приборов наблюдения.

У машин модификации G и некоторых F/8 на крыше рубки имелся откидной 10-мм бронещиток для пулеметов MG 34 или MG 42.

ВООРУЖЕНИЕ. Штурмовые орудия StuG III Ausf.A — Е вооружались пушкой 7,5 cm StuK 37 калибра 75 мм. Длина ствола 24 калибра (1766,3 мм). Масса пушки 490 кг. Пушка имела вертикальный клиновой затвор и электроспуск. Дальность прямого выстрела 620 — 650 м, максимальная дальность стрельбы 6200 м. В ее боекомплект входили выстрелы с бронебойными снарядами KgrRotPz (масса 6,8 кг, начальная скорость 385 м/с), кумулятивными Gr 38Н1/А, Gr 38Н1/В и Gr 38Н1/С (4,44...4,8 кг, 450...485 м/с), дымовыми NbGr (6,21 кг, 455 м/с) и осколочно-фугасными (5,73 кг, 450 м/с). Боекомплект состоял из 44 выстрелов (Ausf.A — D) или 54 выстрелов (Ausf.E).

Штурмовые орудия StuG III Ausf.F были вооружены пушкой 7,5 cm StuK 40 калибра 75 мм. Длина ствола 43 калибра (3473 мм). Масса орудия 670 кг.

Боевые машины модификаций F/8 и G вооружались пушкой 7,5 cm StuK 40 с длиной ствола 48 калибров (3855 мм). Затвор клиновой полуавтоматический. Масса орудия 750 кг. Предельная длина отката 520 мм. Пушка оснащалась двухкамерным дульным тормозом. Дальность прямого выстрела 800— 1200 м, максимальная дальность стрельбы 7700 м. Скорострельность 10—15 выстр./мин.

Боекомплект пушек состоял из 44 выстрелов (Ausf.F и F/8) и 54 выстрелов (Ausf.G).

Все орудия устанавливались в рубке на специальном станке, смонтированном на днище боевого отделения.

В качестве вспомогательного вооружения использовался пулемет MG 34 или MG 42 калибра 7,92 мм, перевозимый внутри боевой машины. САУ поздних выпусков оснащалась дистанционно управляемой установкой пулемета MG 42 и спаренным с пушкой пулеметом MG 34. В боекомплект пулеметов входило 600 патронов.

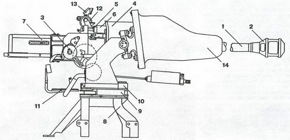
Установка 75-мм пушки StuK 40 U48:

1 — ствол; 2 — дульный тормоз; 3 — механизм полуавтоматики; 4 — люлька; 5 — тормоз отката; 6 — накатник; 7 — ограждение пушки; 8 — станина; 9 — нижний станок; 10 — верхний станок; 11 — сиденье наводчика; 12 — корзинка прицела; 13 — прицел; 14 — маска пушки

Заряжающий StuG III за работой. Из-за расположения его рабочего места справа от орудия досылать выстрел ему приходилось левой рукой

Характеристика боеприпасов 75-мм пушки StuG 40

Тип снаряда PzCr 39 (бронебойный) PzCr 40 (подкалиберный) Cr38HL/B (кумулятивный) SprCr (осколочно-фугасный) 34 NbCr (дымовой) Масса снаряда, кг 6,8 4.1 4,4 5,72 6,21 Начальная скорость, м/с 740....790 920... 1060 485 590 580 Бронепробиваемость, мм при угле встречи 0° на дистанции, м: 500 91 108 100   _ 1000 82 87 100 — — ПРИМЕЧАНИЕ. Таблица составлена на основании немецких источников. 

Штурмовые орудия моделей A —F имели прибор дымопуска, закрепленный на кормовом листе корпуса и состоявший из пяти дымовых шашек с электрозапалом. У машин вариантов F/8 и G на бортах рубки устанавливались два строенных дымовых гранатомета Nbk 39 калибра 90 мм.

С мая 1944 года САУ StuG 40 Ausf.G и StuN 42 вооружались «устройством ближней обороны» — гранатометом, смонтированным в крыше рубки, для стрельбы осколочными и дымовыми гранатами.

Штурмовые орудия StuG III Ausf.A и В оборудовались монокулярными перископическими прицелами Sfl ZF, StuG III Ausf.С - E - прицелами Sfl ZF1/RbLF32. С марта 1942 года устанавливались прицелы Sfl ZF1a/RbLF 36. Все прицелы имели пятикратное увеличение и поле зрения 8°. Они изготавливались на заводах Carl Zeiss С° в Йене и Герлитце, а также на фирме Ernst Leitz GmbH в Ветцларе.

ДВИГАТЕЛЬ И ТРАНСМИССИЯ. На штурмовых орудиях устанавливались двигатели Maybach HL 120TR (Ausf.A) и HL 120TRM (Ausf.B — С), 12-цилиндровые, V-образные (развал цилиндров 60°), карбюраторные, четырехтактные мощностью 300 л.с. при 3000 об/мин. Диаметр цилиндра 105 мм. Ход поршня 115 мм. Степень сжатия 6,5. Рабочий объем 11 867 см?.

Двигатели имели одинаковую конструкцию.

Топливо — этилированный бензин с октановым числом не ниже 74. В топливную систему входил один бензобак емкостью 320 л, располагавшийся в кормовой части танка справа от двигателя. Подача топлива принудительная, с помощью трех топливных насосов диафрагменного типа Solex ЕР100. Карбюраторов — два, марки Solex 40 JFF II.

Система охлаждения — жидкостная, с двумя радиаторами и двумя вентиляторами. Емкость системы охлаждения 70 л.

В штурмовых орудиях модификаций F/8 и G была предусмотрена возможность быстрого прогрева двигателя от работающего двигателя другой машины путем соединения горловин их систем охлаждения. В результате охлаждающие жидкости перемешивались и, циркулируя по горячему и холодному двигателям, быстро прогревали последний.

Трансмиссия состояла из карданной передачи, главного фрикциона, коробки передач, механизмов поворота и бортовых передач.

На САУ модификации А устанавливалась десятискоростная безвальная механическая коробка передач SRG 328145 Variorex и работающий в масле многодисковый главный фрикцион с преселекторным пневмо-гидравлическим управлением и гидравлическим приводом тормозов.

Компоновка штурмового орудия StuG III Ausf.F/8:

1 — пушка; 2 — верхний станок; 3 — тормоз отката; 4 — прицел; 5 — вытяжной вентилятор; 6 — ограждение пушки; 7 — воздушный фильтр; 8 — блок карбюраторов; 9 — двигатель; 10 —радиатор; 11 — вентилятор; 12 — антенный желоб; 13 — выхлопной коллектор; 14 — прибор дымопуска; 15 — сиденье заряжающего; 16 — кожух карданного вала; 17 — сиденье наводчика; 18 — станина пушки; 19 — коробка передач; 20 — рычаг переключения скоростей; 21 — бортовая передача; 22 — механизм поворота; 23 — панель приборов механика-водителя

На машинах остальных модификаций использовались шестискоростные механические коробки передач ZF SSG 77 Aphon с трехдисковым сухим главным фрикционом механического управления марки Fichtel & Sachs La 120 НDA и механическим или гидравлическим управлением тормозов.

Передача вращения от коробки передач бортовым передачам производилась правым и левым одноступенчатыми планетарными механизмами, смонтированными в один агрегат.

ХОДОВАЯ ЧАСТЬ состояла, применительно к одному борту, из шести сдвоенных обрезиненных опорных катков диаметром 520 мм и трех обрезиненных поддерживающих катков диаметром 310 мм. С конца 1943 года на штурмовые орудия начали устанавливать поддерживающие катки без резиновых бандажей.

Подвеска индивидуальная торсионная. Ее особенности: крепление неподвижного конца торсиона в специальном пальце, вставляемом в кронштейн; наличие направляющего устройства, предназначенного для разгрузки деталей подвески от боковых усилий; наличие гидравлических телескопических амортизаторов на 1-м и 6-м опорных катках.

Ведущие колеса переднего расположения имели два съемных зубчатых венца с 21 зубом каждый. Зацепление цевочное.

Гусеницы стальные, мелкозвенчатые из 93 — 94 одногребневых траков каждая. Ширина гусеницы колебалась от 360 до 400 мм у более поздних версий. В осенне-зимний период могла использоваться так называемая «восточная гусеница» Ostkette шириной 550 мм.

ЭЛЕКТРООБОРУДОВАНИЕ было выполнено по однопроводной схеме. Напряжение 12 В.

Источники: генератор Bosch GTLN 700/12-1500 мощностью 700 Вт; два аккумулятора Bosch емкостью 105 Ач. Потребители: электростартер (для ручного запуска двигателя использовался механический стартер инерционного типа), система зажигания, вытяжной вентилятор (Ausf.F — G), контрольные приборы,подсветка прицелов, приборы звуковой и световой сигнализации, аппаратура внутреннего и внешнего освещения, звуковой сигнал, спуск пушки.

СРЕДСТВА СВЯЗИ. САУ StuG III оснащались радиостанциями FuG 5 (Ausf.A — F) и FuG 15 (Ausf.F/8 — G), отличавшейся от первой меньшими габаритами. Антенна штыревая, высотой 2 м. Дальность действия 6,4 км (телефоном) и 9,4 км (телеграфом).

Внутренняя связь между членами экипажа осуществлялась с помощью ТПУ и светосигнального прибора.

Заряжающий ведет огонь из 7,92-мм пулемета MG 34, прикрываясь бронещитом

Штурмовое орудие StuG III Aus/ C/D. Восточный фронт, 1941 год

Более 800 000 книг и аудиокниг! 📚

Получи 2 месяца Литрес Подписки в подарок и наслаждайся неограниченным чтением

ПОЛУЧИТЬ ПОДАРОК